Partiron

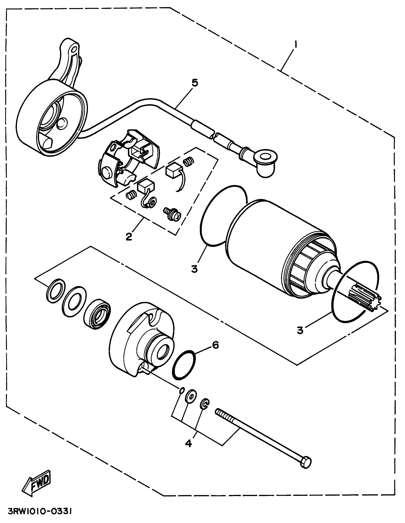
Yamaha XT225HC (SEROW CA) 1996 STARTING MOTOR Diagram

#

Description
Price

1

MOTOR ASSY

4JG-81890-01-00

Unavailable

2

BRUSH SET

3C5-81801-00-00

$23.99

3

O-RING(50M)

93210-55669-00

$8.49

4

BOLT 2

59V-81828-M0-00

$16.49

5

. CORD COMP

3RW-8183G-00-00

Unavailable

6

O-RING(1RL)

93210-25711-00

$7.49