Partiron

Yamaha XT225GC (SEROW CA) 1995 VALVE Diagram

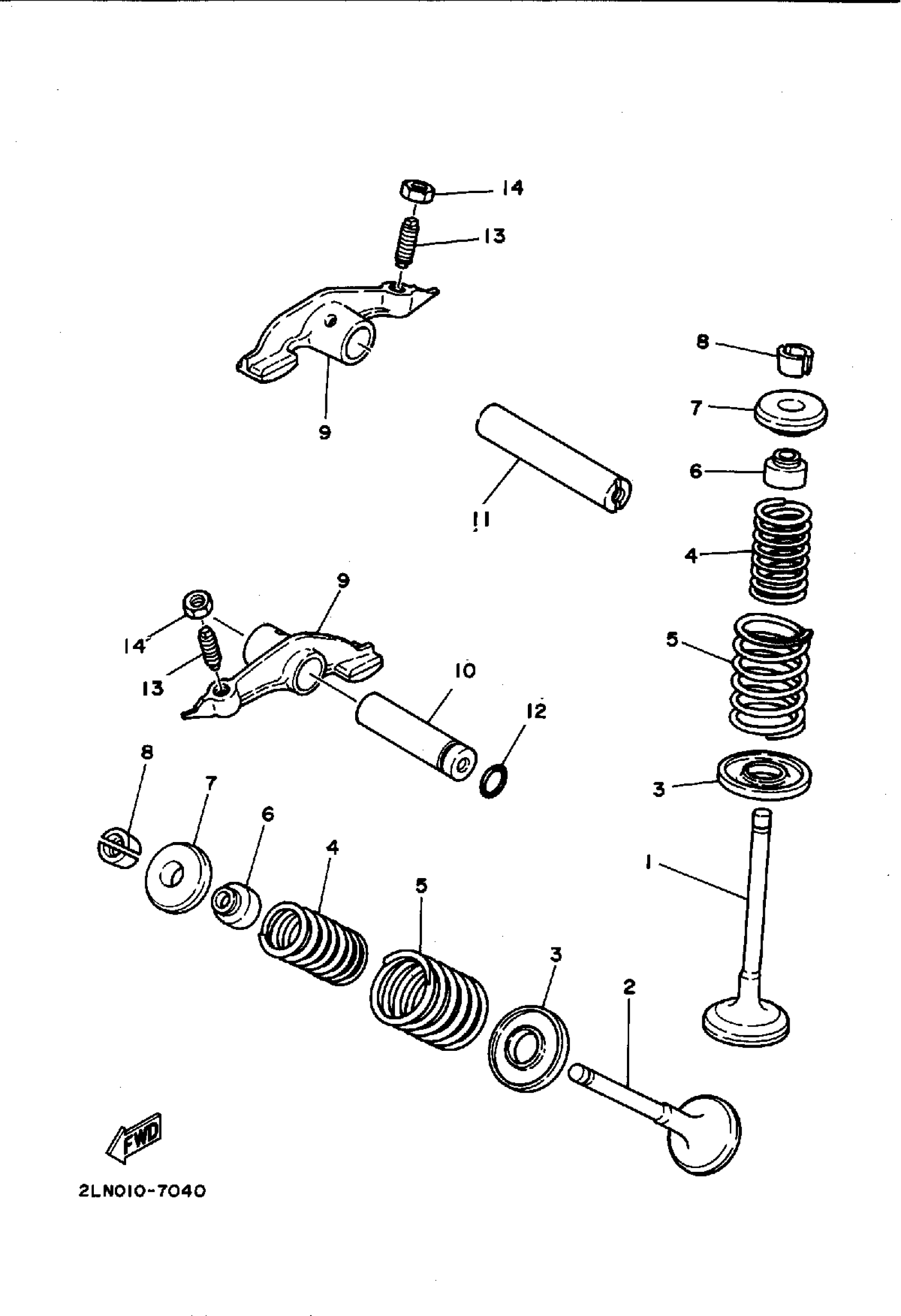
#

Description
Price

1

VALVE, INTAKE

5H0-12111-02-00

$42.99

2

VALVE, EXHAUST

5H0-12121-01-00

$60.99

3

SEAT, VALVE SPRING

4G0-12116-01-00

$15.49

4

SPRING, VALVE INNER

11H-12113-00-00

$23.99

5

SPRING, VALVE OUTER

11H-12114-00-00

$24.99

6

SEAL, VALVE STEM

5H0-12119-00-00

$16.49

7

RETAINER, VALVE SPRING

4G0-12117-00-00

$23.99

8

COTTER, VALVE

4G0-12118-00-00

$7.99

9

ARM, VALVE ROCKER

29U-12151-01-00

Unavailable

10

SHAFT, ROCKER

5H0-12156-00-00

$38.99

11

SHAFT, ROCKER

5H0-12146-00-00

$29.99

12

O-RING (1J7)

93210-09350-00

$7.49

13

SCREW, VALVE ADJUSTING

2NX-12159-00-00

$11.99

14

NUT HEXAGON 371121580000

90170-06128-00

$8.49