- Partiron
- OEM Parts
- Yamaha
- motorcycle
- 1995
- XT225GC (SEROW CA) 1995
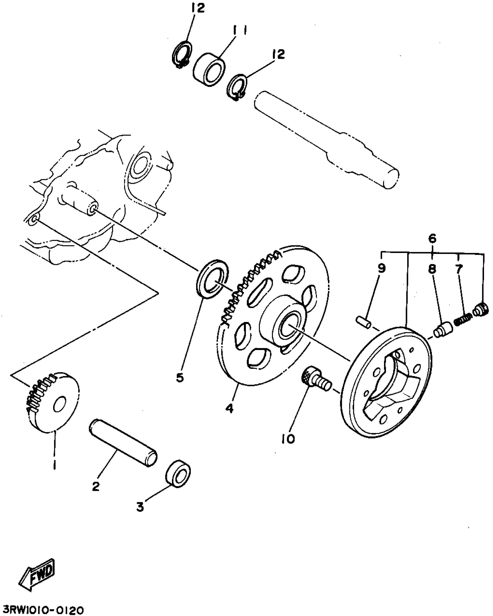
STARTER CLUTCH
Yamaha XT225GC (SEROW CA) 1995 STARTER CLUTCH Diagram
#
Description
Price
1
GEAR, IDLER 1
2HT-15512-00-00
Unavailable
2
SHAFT 1
5H0-15521-00-00
Unavailable
5
WASHER, PLATE(1FK)
90201-256K6-00
Unavailable
