- Partiron
- OEM Parts
- Yamaha
- motorcycle
- 1983
- XT200KC (XT200 CA) 1983
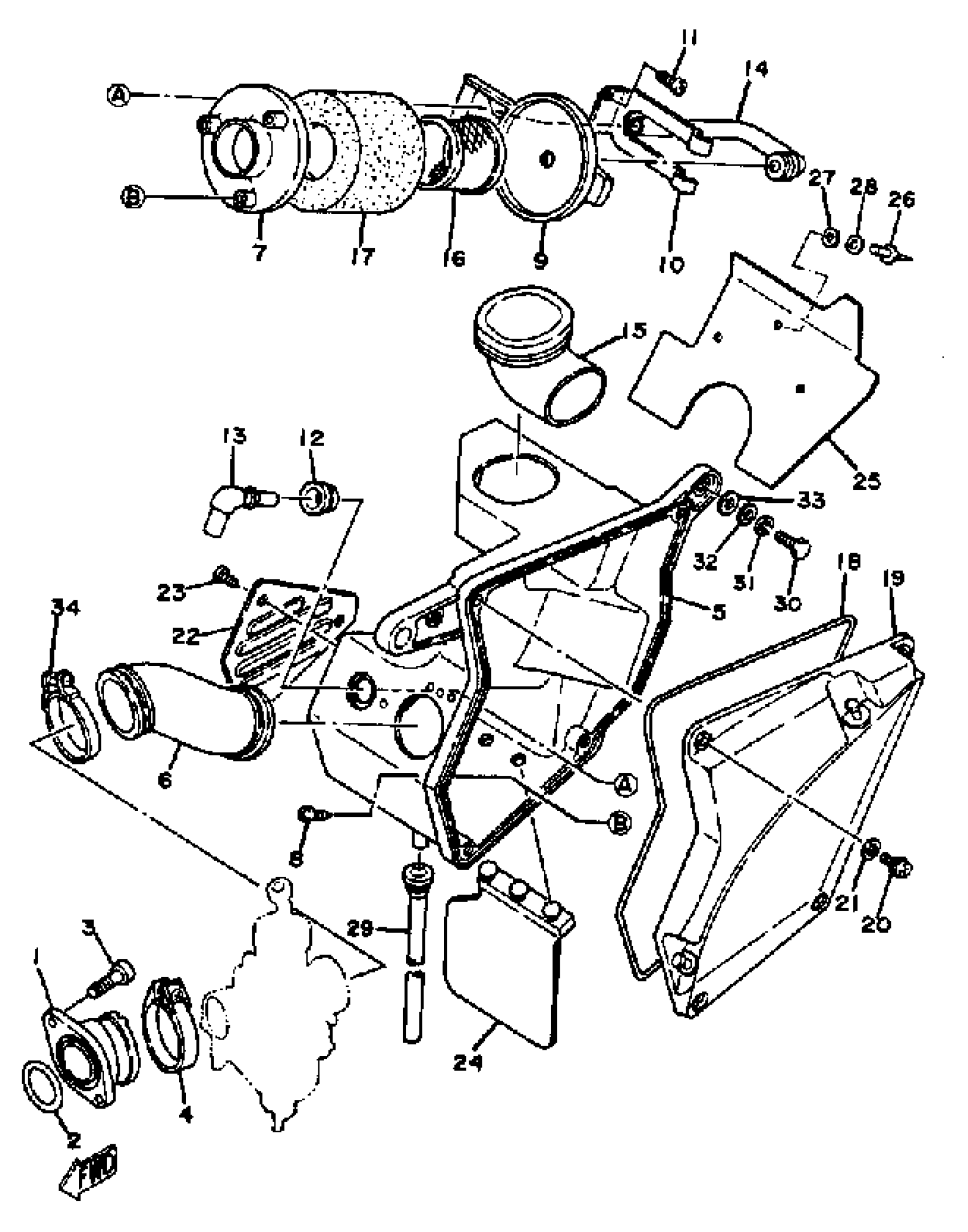
INTAKE XT200K - KC
Yamaha XT200KC (XT200 CA) 1983 INTAKE XT200K - KC Diagram
#
1
JOINT, CARBURETOR 1
15A-13586-03-00
Unavailable
3
BOLT,SOCKET
91317-06020-00
Unavailable
5
CASE, AIR CLEANER 1
15A-14411-00-00
Unavailable
6
JOINT, AIR CLNR 1
15A-14453-02-00
Unavailable
7
PLATE, ELEMENT
15A-14472-00-00
Unavailable
9
PLATE, ELEMENT FTNG
15A-14468-00-00
Unavailable
10
SPRING
(15A-14487-00-00)
Unavailable
13
PIPE, JOINT
15A-14485-00-00
Unavailable
14
PIPE
(15A-14419-00-00)
Unavailable
15
DUCT
15A-14437-00-00
Unavailable
16
GUIDE, ELEMENT
15A-14458-01-00
Unavailable
17
ELEMENT, AIR CLEANER
15A-14451-01-00
Unavailable
18
SEAL
1VJ-14462-00-00
Unavailable
19
CAP, CLEANER CASE 1
15A-14412-00-00
Unavailable
20
SCREW, PAN HEAD
90157-05M19-00
Unavailable
21
WASHER(1RW)
92907-05600-00
Unavailable
22
PROTECTOR
(15A-1442F-00-00)
Unavailable
24
FLAP
15A-21621-00-00
Unavailable
25
FLAP
(15A-21691-01-00)
Unavailable
26
RIVET, BLIND
90267-40029-00
Unavailable
27
WASHER, PLATE (8M6)
90201-047A2-00
Unavailable
28
YBS66-4 WASHER, PLAIN
92990-04200-00
Unavailable
29
PIPE, DRAIN
(15A-1443E-00-00)
Unavailable
30
BOLT, HEXAGON
97017-06025-00
Unavailable
31
WASHER, SPRING
92995-06100-00
Unavailable
32
WASHER, PLAIN (646)
92990-06600-00
Unavailable
33
YBS66-6 WASHER, PLAIN
92990-06200-00
Unavailable
34
HOSE CLAMP ASSY(10F)
90450-45075-00
Unavailable
