- Partiron
- OEM Parts
- Yamaha
- motorcycle
- 1982
- XT200J (XT200) 1982
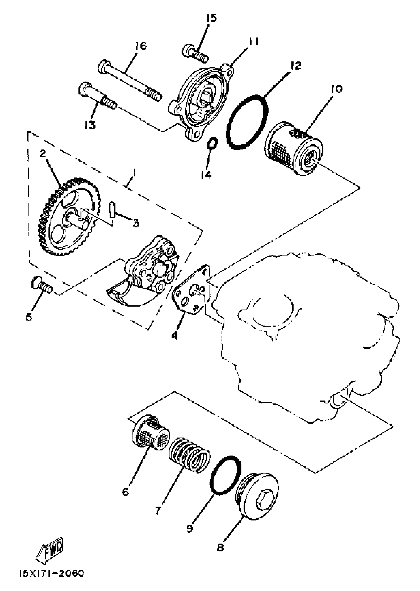
OIL PUMP
Yamaha XT200J (XT200) 1982 OIL PUMP Diagram
#
Description
Price
11
COVER, OIL ELEMENT
15A-13447-01-00
Unavailable
16
SCREW, PAN
98507-06075-00
Unavailable
