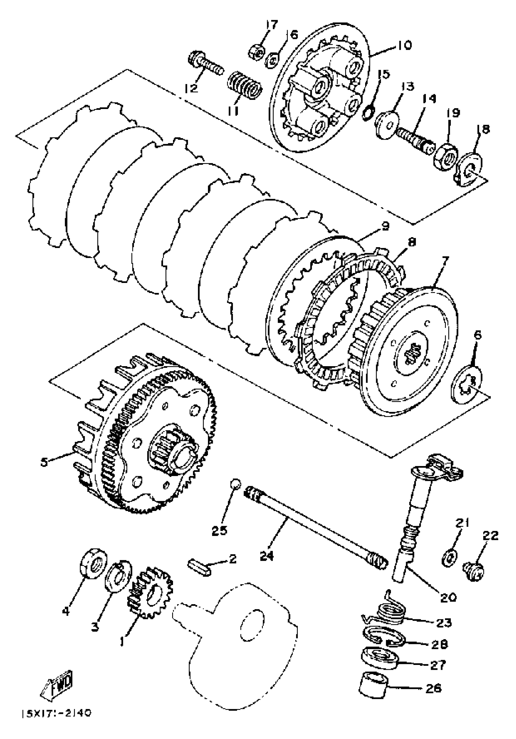
Yamaha XT200J (XT200) 1982 CLUTCH Diagram
#
Description
Price
1
GEAR, PRIMARY DRIVE
5H0-16111-00-00
Unavailable
5
PRIMARY DRIVEN GEAR COMP. 73/17 (15A-16150-00-00)
3NS-16150-00-00
Unavailable
6
PLATE, THRUST 1
5H0-16154-00-00
Unavailable
7
BOSS, CLUTCH
36X-16371-00-00
Unavailable
14
ROD, PUSH 1
2JX-16356-00-00
Unavailable
16
YBS66-6 WASHER, PLAIN
92990-06200-00
Unavailable
17
NUT, HEXAGON
95380-06600-00
Unavailable
18
WASHER, LOCK (25G)
90215-14186-00
Unavailable
20
PUSH LEVER ASSEMBLY
1KH-16380-01-00
Unavailable
21
WASHER, PLATE 3411117500
90201-08087-00
Unavailable
22
SCREW 425163430000
90149-08067-00
Unavailable
23
SPRING, TORSION (15A)
90508-18537-00
Unavailable
24
ROD, PUSH 2
5H0-16357-00-00
Unavailable
25
BALL
93505-16006-00
Unavailable
26
BUSH (5H0)
90386-14103-00
Unavailable
27
OIL SEAL (3Y1)
93102-14209-00
Unavailable
28
CIRCLIP (3Y1)
93420-28055-00
Unavailable
