- Partiron
- OEM Parts
- Yamaha
- motorcycle
- 1982
- XT125J (XT125) 1982
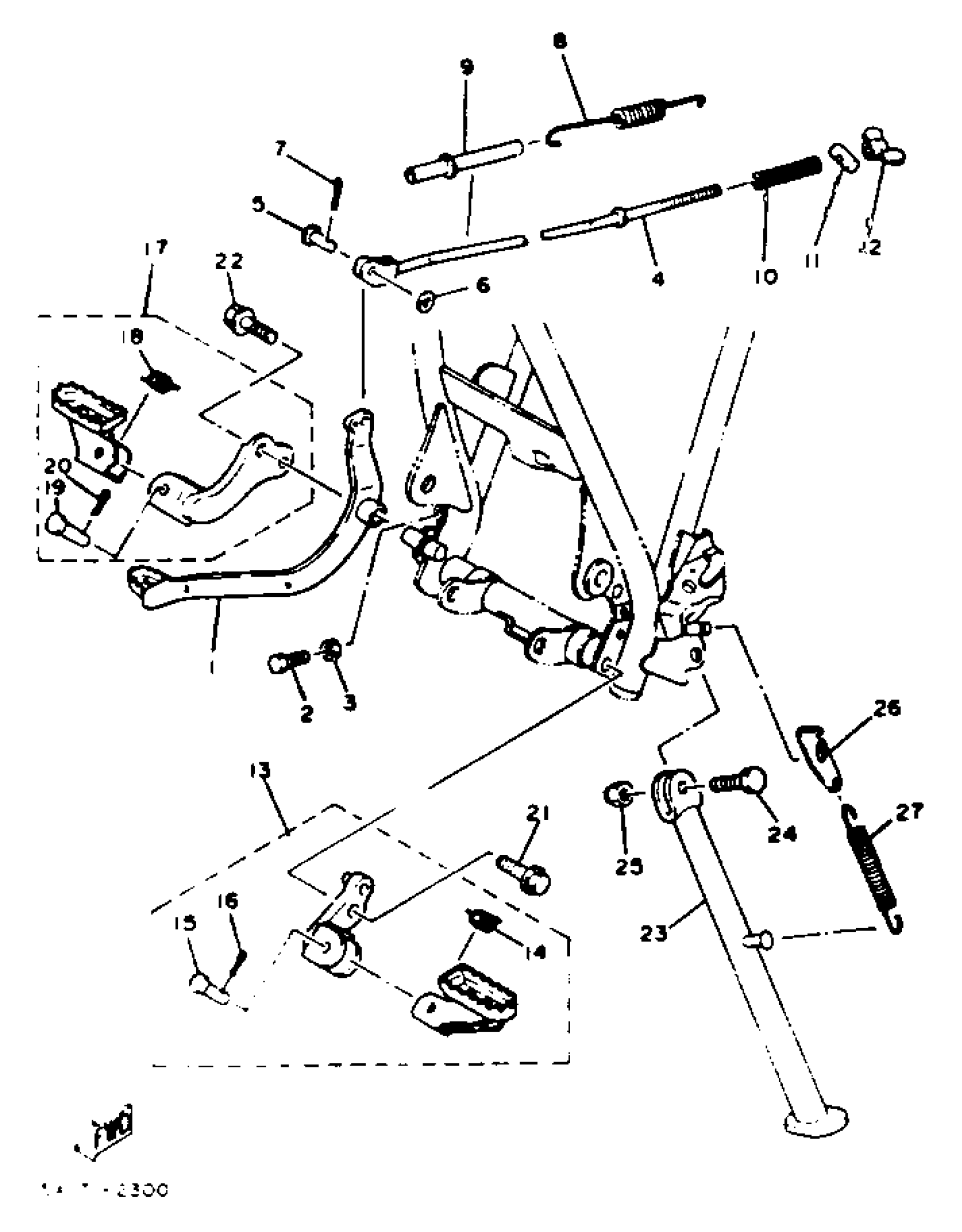
STAND - FOOTREST
Yamaha XT125J (XT125) 1982 STAND - FOOTREST Diagram
#
Description
Price
4
ROD, BRAKE
15A-27231-00-00
Unavailable
13
FRT FOOTREST ASSEMBLY LASSEMBLY (L)
15A-27410-00-90
Unavailable
16
PIN, COTTER
91490-25020-00
Unavailable
17
FRONT FOOTREST ASSY (RIGHT)
15A-27420-02-90
Unavailable
20
PIN, COTTER
91490-25020-00
Unavailable
21
BOLT,FLANGE
95817-12025-00
Unavailable
22
BOLT,HEXAGON (447)
90105-10058-00
Unavailable
23
UNAVAILABLE IN PRICE BOOK
15E-27311-00-33
Unavailable
24
BOLT
90109-10635-00
Unavailable
25
NUT, U
90185-10037-00
Unavailable
26
LINK, SIDE STAND
15A-27315-00-00
Unavailable
27
SPRING, MAIN STAND
4KN-27116-00-00
Unavailable
