- Partiron
- OEM Parts
- Yamaha
- motorcycle
- 2025
- XSR900SW (XSR900) D656 2025
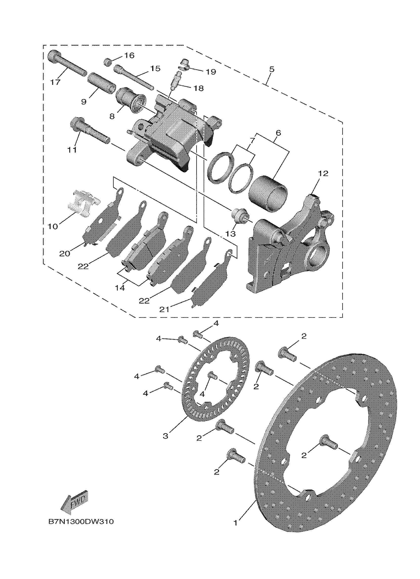
REAR BRAKE CALIPER
Yamaha XSR900SW (XSR900) D656 2025 REAR BRAKE CALIPER Diagram
#
Description
Price
3
ROTOR, SENSOR
2PW-2517G-00-00
Unavailable
5
CALIPER ASSY, REAR
B7N-2580W-00-00
Unavailable
12
BRACKET, SUPPORT
B7N-25921-50-00
Unavailable
16
PLUG
5DH-25916-50-00
Unavailable
17
BOLT
1RC-25926-00-00
Unavailable
18
SCREW, BLEED
8CR-25824-00-00
Unavailable
19
BLEED SCREW KIT
36Y-W0048-00-00
Unavailable
20
SHIM, CALIPER
5SL-25827-00-00
Unavailable
21
SHIM, CALIPER
5SL-25827-10-00
Unavailable
22
SHIM, CALIPER
5SL-25828-01-00
Unavailable
