- Partiron
- OEM Parts
- Yamaha
- motorcycle
- 2018
- XSR900JR (XSR900) B90T 2018
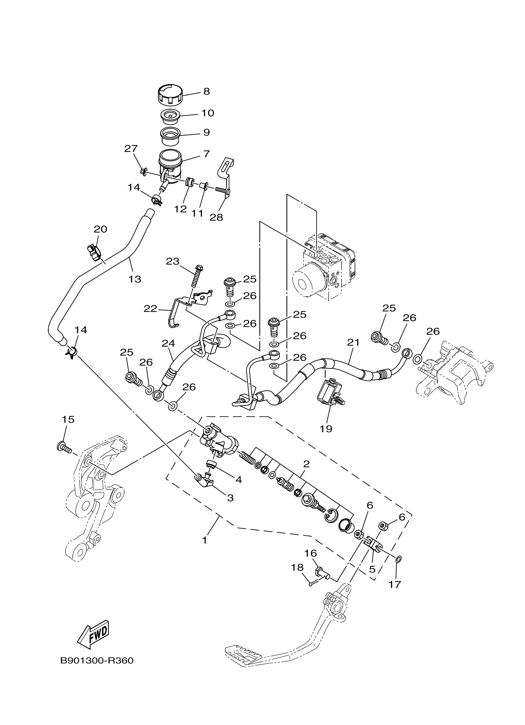
REAR MASTER CYLINDER
Yamaha XSR900JR (XSR900) B90T 2018 REAR MASTER CYLINDER Diagram
#
Description
Price
1
RR. MASTER CYLINDE
56P-2583V-01-00
Unavailable
4
O-RING
4BP-2585F-01-00
Unavailable
13
HOSE, RESERVOIR
1RC-25895-00-00
Unavailable
16
PIN, CLEVIS
90240-08005-00
Unavailable
17
WASHER, PLATE
90201-08066-00
Unavailable
18
PIN, COTTER (648)
91490-20015-00
Unavailable
19
CLAMP
90464-20023-00
Unavailable
20
CLAMP
90464-18007-00
Unavailable
21
HOSE, BRAKE 5
2DR-2581K-01-00
Unavailable
22
BRACKET, REFLECTOR
2DR-85142-00-00
Unavailable
23
BOLT, FLANGE
90105-06091-00
Unavailable
24
HOSE, BRAKE 4
2DR-2581J-01-00
Unavailable
25
BOLT, UNION
90401-10172-00
Unavailable
26
GASKET
90430-10005-00
Unavailable
27
NUT, FLANGE(3GM)
95707-05500-00
Unavailable
28
HOLDER, RESERVE TANK
1RC-2582E-00-00
Unavailable
