Partiron

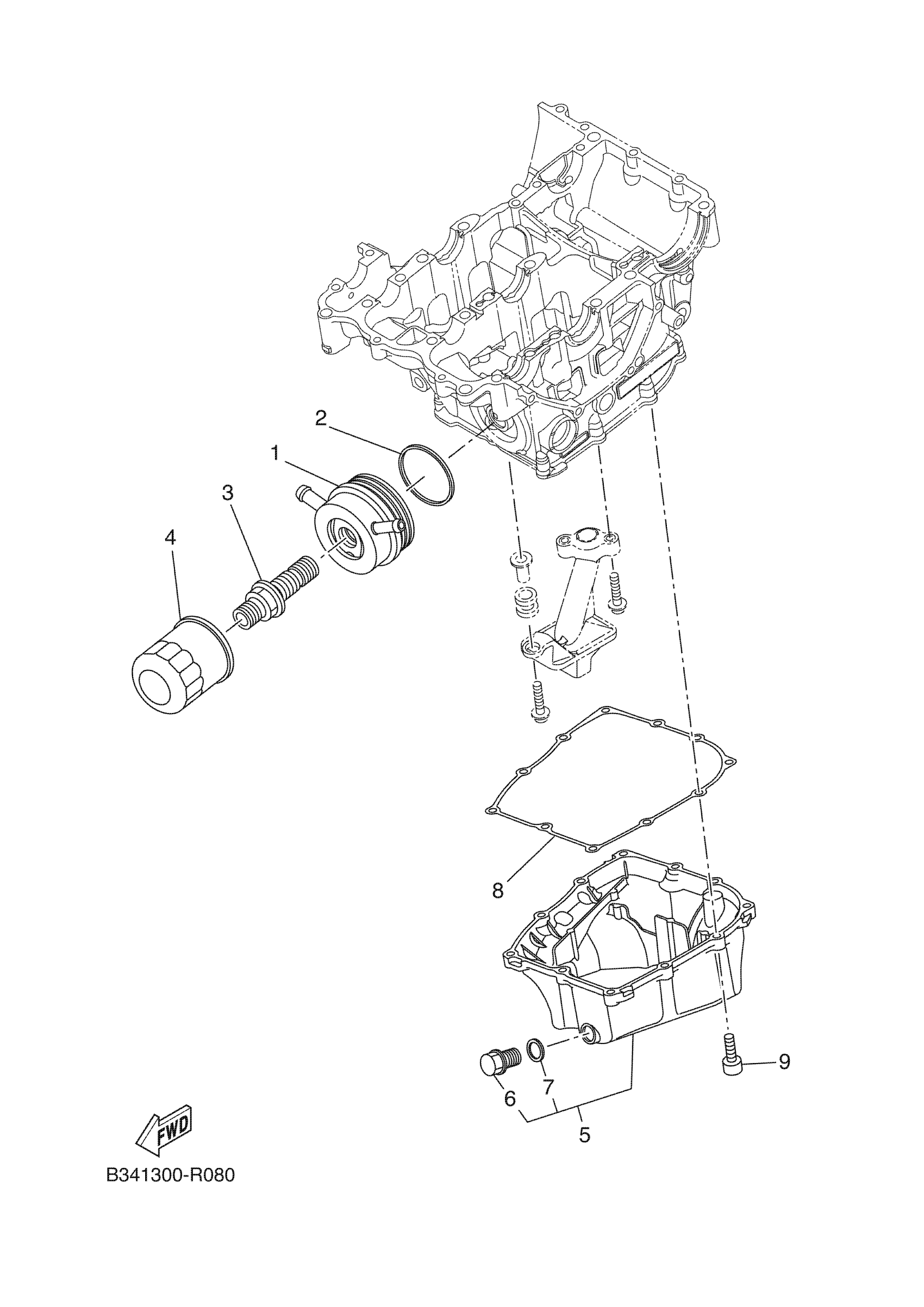
Yamaha XSR700SCB (XSR700 CA) BMCM 2025 OIL CLEANER Diagram

#

Description
Price

1

OIL COOLER ASSY

1WS-13470-00-00

Unavailable

2

GASKET

1XD-13475-00-00

$9.99

3

BOLT, UNION

90401-20009-00

Unavailable

4

ELEMENT ASSY, OIL

5GH-13440-90-00

Unavailable

5

STRAINER COVER ASS

1WS-13400-00-00

$133.99

6

PLUG, STRAIGHT SCREW(3FA)

90340-14132-00

$3.98

7

GASKET

214-11198-01-00

$3.17

8

GASKET, STRAINER C

1WS-13414-00-00

$30.99

9

BOLT, HEXAGON SOCKET HEAD(1VJ)

90110-06138-00

$5.60