Partiron

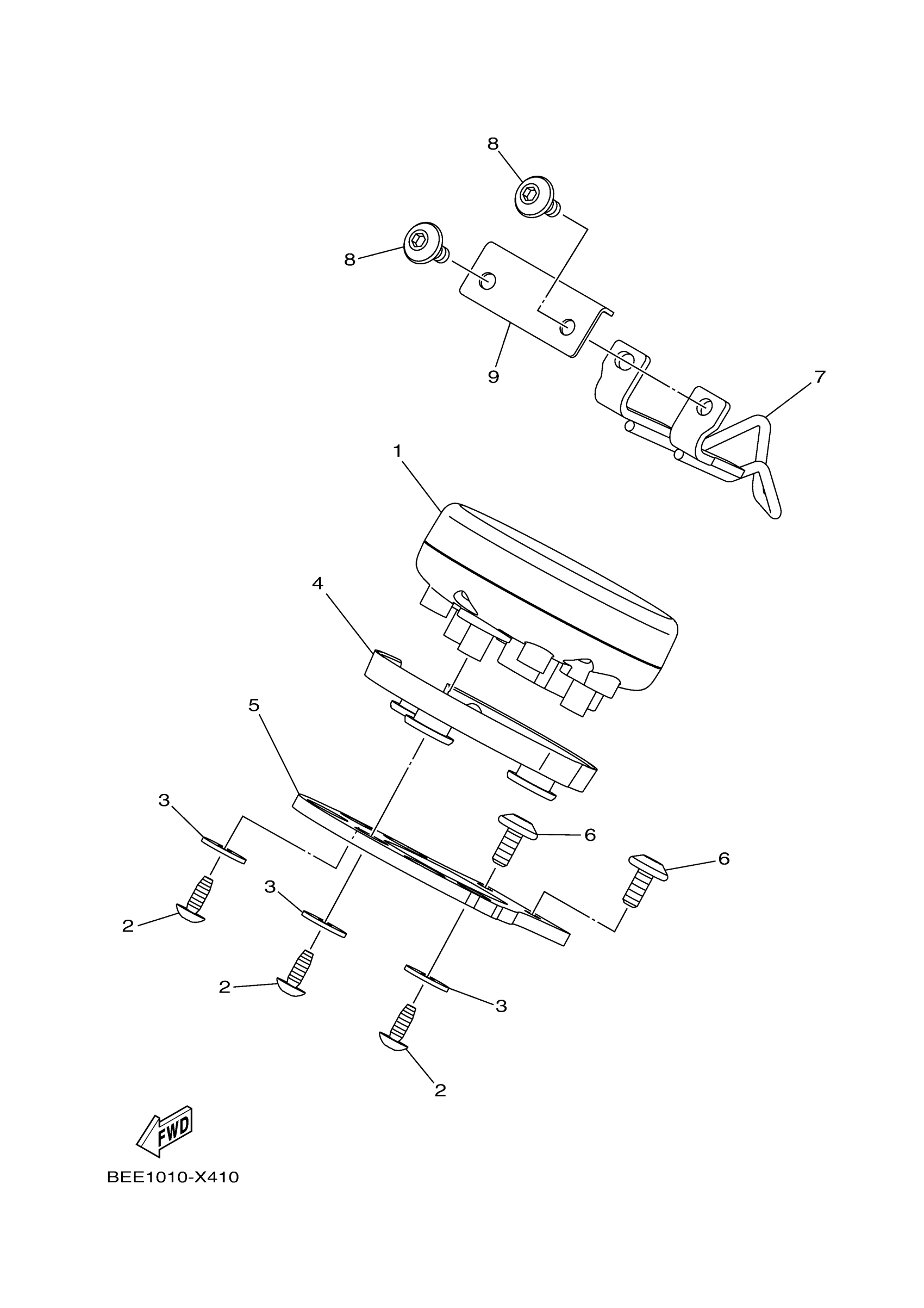
Yamaha XSR700NB (XSR700) BEE2 2022 METER Diagram

#

Description
Price

1

METER ASSY

BEE-83500-20-00

Unavailable

2

SCREW, ROUND TAPPING

90160-05017-00

$2.17

3

WASHER, PLATE (4H7)

90201-061A5-00

$7.49

4

DAMPER

B90-83513-00-00

Unavailable

5

BRACKET, METER 1

BEE-H355X-00-00

Unavailable

6

BOLT,HEX. SOCKET BUTTON

90111-06095-00

$8.49

7

BRACKET

BEE-83614-00-00

$43.99

8

BOLT,HEX. SOCKET BUTTON

90111-06095-00

$8.49

9

PLATE

BEE-F3774-00-00

Unavailable