- Partiron
- OEM Parts
- Yamaha
- motorcycle
- 2021
- XSR700MW (XSR700) B2GK 2021
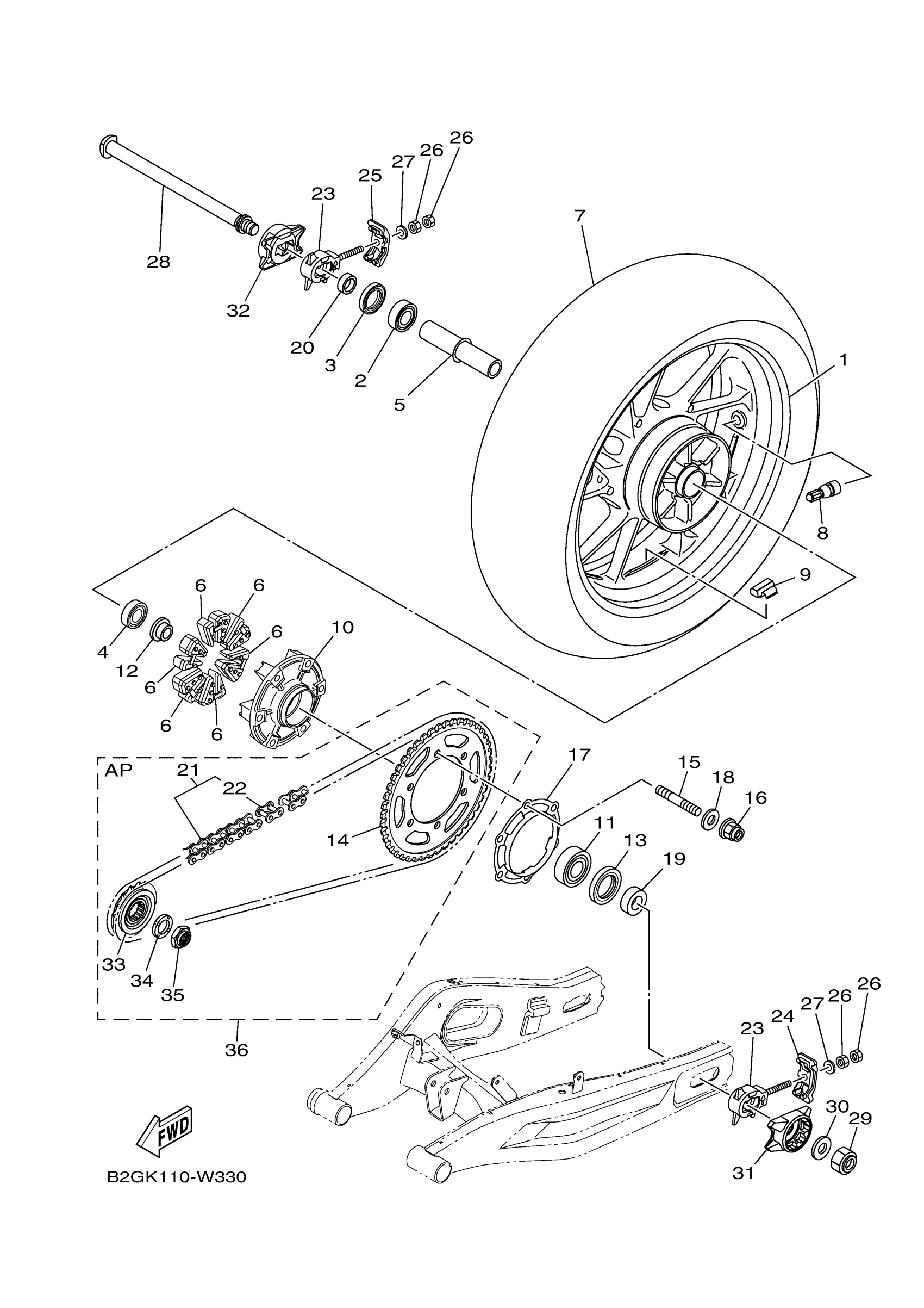
REAR WHEEL
Yamaha XSR700MW (XSR700) B2GK 2021 REAR WHEEL Diagram
#
Description
Price
9
BALANCER, WHEEL
5MT-25398-20-00
Unavailable
15
BOLT, STUD
90116-10048-00
Unavailable
16
NUT, SELF-LOCKING
90185-10011-00
Unavailable
17
BRACKET 1
1WS-2537W-00-00
Unavailable
18
WASHER, PLATE
90201-10045-00
Unavailable
19
COLLAR
90387-20036-00
Unavailable
20
COLLAR
90387-20035-00
Unavailable
21
CHAIN
94A40-21108-00
Unavailable
22
JOINT, CHAIN
94682-5502R-00
Unavailable
23
PULLER, CHAIN 1
1WS-25388-00-00
Unavailable
24
END 1
B34-22174-00-00
Unavailable
25
END 1
B34-22175-00-00
Unavailable
26
NUT
95302-08600-00
Unavailable
27
.. WASHER, PLATE
92990-08600-00
Unavailable
28
SHAFT, PIVOT
4FN-22141-00-00
Unavailable
29
NUT, SELF-LOCKING
90185-18009-00
Unavailable
30
WASHER, PLATE
90201-18021-00
Unavailable
31
COVER, REAR AXLE 1
1WS-2538D-10-00
Unavailable
32
COVER, REAR AXLE 2
1WS-2538N-10-00
Unavailable
33
SPROCKET, DRIVE (1
1WS-17460-00-00
Unavailable
34
WASHER, CONICAL SPRING
90208-22002-00
Unavailable
35
NUT
90179-22018-00
Unavailable
36
CHAIN & SPROCKET KIT
B4C-W001A-20-00
Unavailable
