- Partiron
- OEM Parts
- Yamaha
- motorcycle
- 2019
- XSR700KGY (XSR700) B2G7 2019
STAND FOOTREST 2
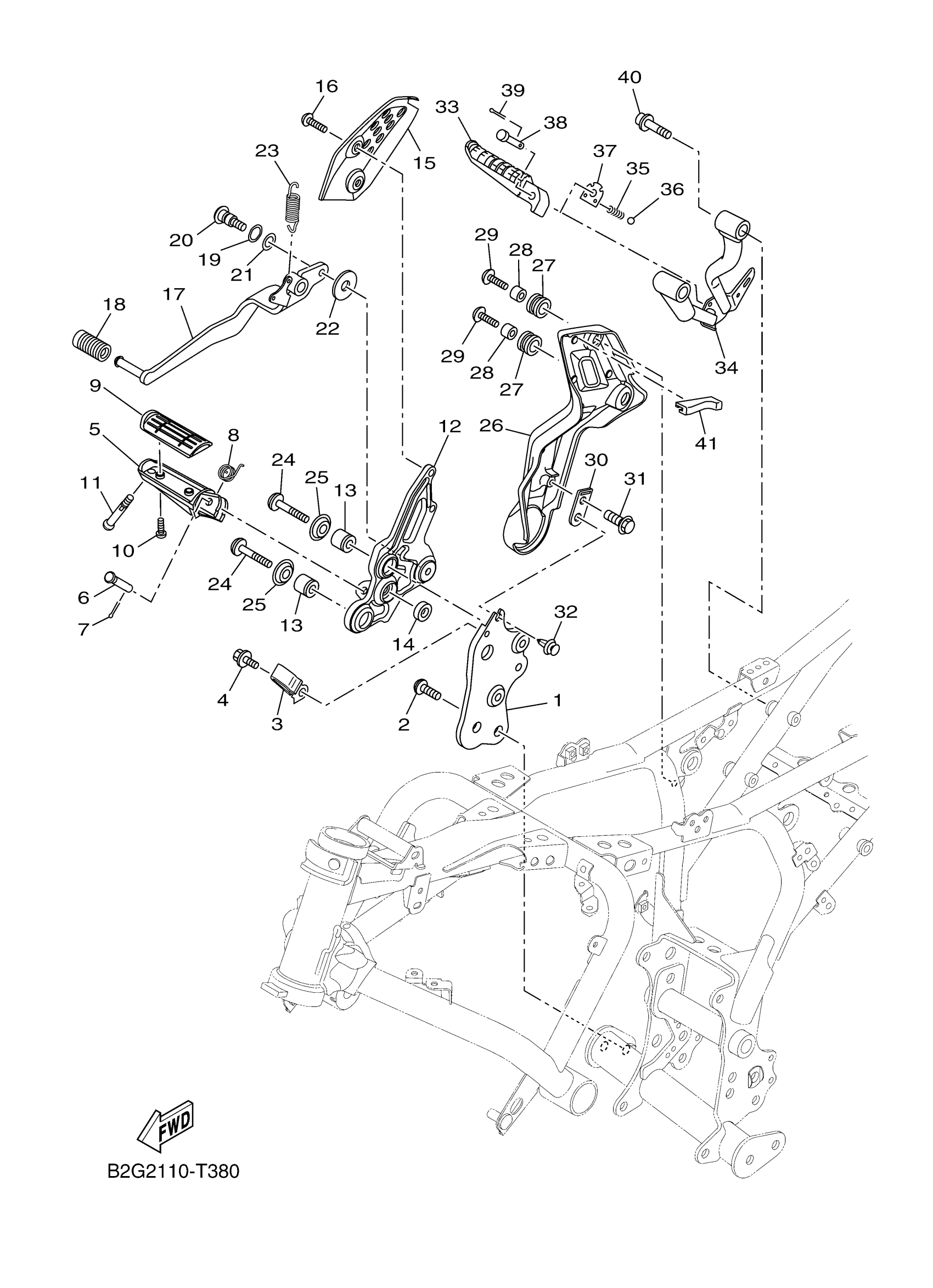
Yamaha XSR700KGY (XSR700) B2G7 2019 STAND FOOTREST 2 Diagram
#
3
CLAMP
90465-08045-00
Unavailable
10
SCREW, PAN HEAD(3YL)
98580-05014-00
Unavailable
16
BOLT, BUTTON HEAD(3YF)
92014-08025-00
Unavailable
17
PEDAL, BRAKE
B34-27211-00-00
Unavailable
18
COVER, SHIFT PEDAL
1WS-18113-00-00
Unavailable
19
WASHER, WAVE (17W)
90206-12074-00
Unavailable
20
BOLT
4BP-27434-11-00
Unavailable
21
WASHER, PLATE
90201-12051-00
Unavailable
22
WASHER, PLATE
90201-08053-00
Unavailable
23
SPRING, TENSION
90506-23008-00
Unavailable
24
BOLT, HEXAGON SOCKET HEAD(38V)
90110-08071-00
Unavailable
25
WASHER(1UF)
90209-08295-00
Unavailable
26
COVER 2
B34-F7463-01-00
Unavailable
27
GROMMET
90480-14003-00
Unavailable
28
COLLAR
90387-06335-00
Unavailable
29
BOLT,HEX. SOCKET BUTTON
90111-06123-00
Unavailable
30
BRACKET, FOOTREST 2
B2G-27425-00-00
Unavailable
31
BOLT, FLANGE
95812-06010-00
Unavailable
32
RIVET
90269-08008-00
Unavailable
33
FOOTREST, REAR 2
3VR-27441-02-00
Unavailable
34
BRACKET 5
B34-F742L-00-00
Unavailable
35
SPRING, COMPRESSION (22N)
90501-12743-00
Unavailable
36
BALL
93501-04011-00
Unavailable
37
WASHER, SPECIAL
5VX-27437-00-00
Unavailable
38
PIN, WITH HOLE (2G2)
90240-08063-00
Unavailable
40
BOLT, FLANGE
90105-08053-00
Unavailable
41
DAMPER
B2G-27473-00-00
Unavailable
