- Partiron
- OEM Parts
- Yamaha
- motorcycle
- 1981
- XS850SH (XS850S) 1981
REAR ARM SUSPENSION
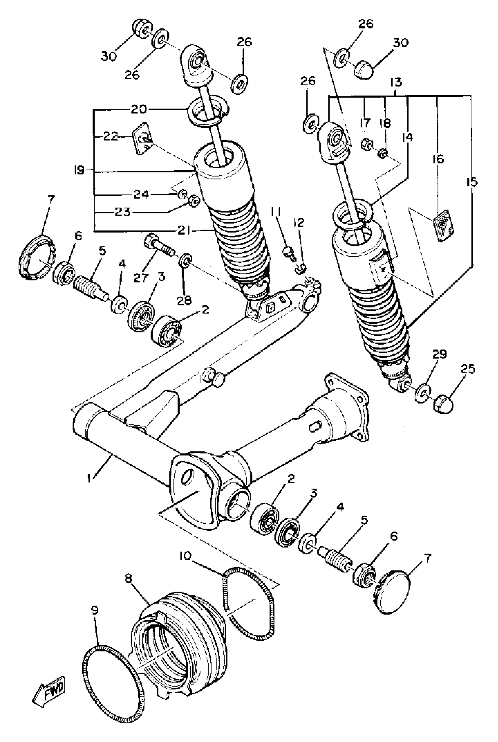
Yamaha XS850SH (XS850S) 1981 REAR ARM SUSPENSION Diagram
#
Description
Price
1
REAR ARM
(3J3-22110-01-33)
Unavailable
5
SHAFT, PIVOT
15B-22141-00-00
Unavailable
8
BOOT, RUBBER
2H7-22189-00-00
Unavailable
11
BOLT
97017-08035-00
Unavailable
13
SHK/ABS ASSEMBLY, REAR
(4R2-22210-00-00)
Unavailable
14
. SEAT, SPRING UPPER
341-22213-20-00
Unavailable
15
SPRING
(3J2-22212-00-00)
Unavailable
15
SPRING
(3J2-22212-A0-00)
Unavailable
16
REAR REFLECTOR ASSY
4KM-85130-00-00
Unavailable
17
NUT, HEXAGON (663)
95380-05600-00
Unavailable
18
. WASHER, PLAIN
92990-05200-00
Unavailable
19
SHK/ABS ASSEMBLY, REAR
(4R2-22210-10-00)
Unavailable
20
. SEAT, SPRING UPPER
341-22213-20-00
Unavailable
21
SPRING
(3J2-22212-00-00)
Unavailable
21
SPRING
(3J2-22212-A0-00)
Unavailable
22
REAR REFLECTOR ASSY
4KM-85130-00-00
Unavailable
23
NUT, HEXAGON (663)
95380-05600-00
Unavailable
24
. WASHER, PLAIN
92990-05200-00
Unavailable
25
NUT, CROWN(3BM)
90176-10073-00
Unavailable
26
WASHER, PLATE (3J6)
90201-100A1-00
Unavailable
27
BOLT,DOME HEAD
90106-10052-00
Unavailable
28
YBS67-10 WASHER, SPRING
92990-10100-00
Unavailable
29
WASHER, PLATE(3BM)
90201-105R9-00
Unavailable
30
NUT, CAP (371)
90176-10009-00
Unavailable
