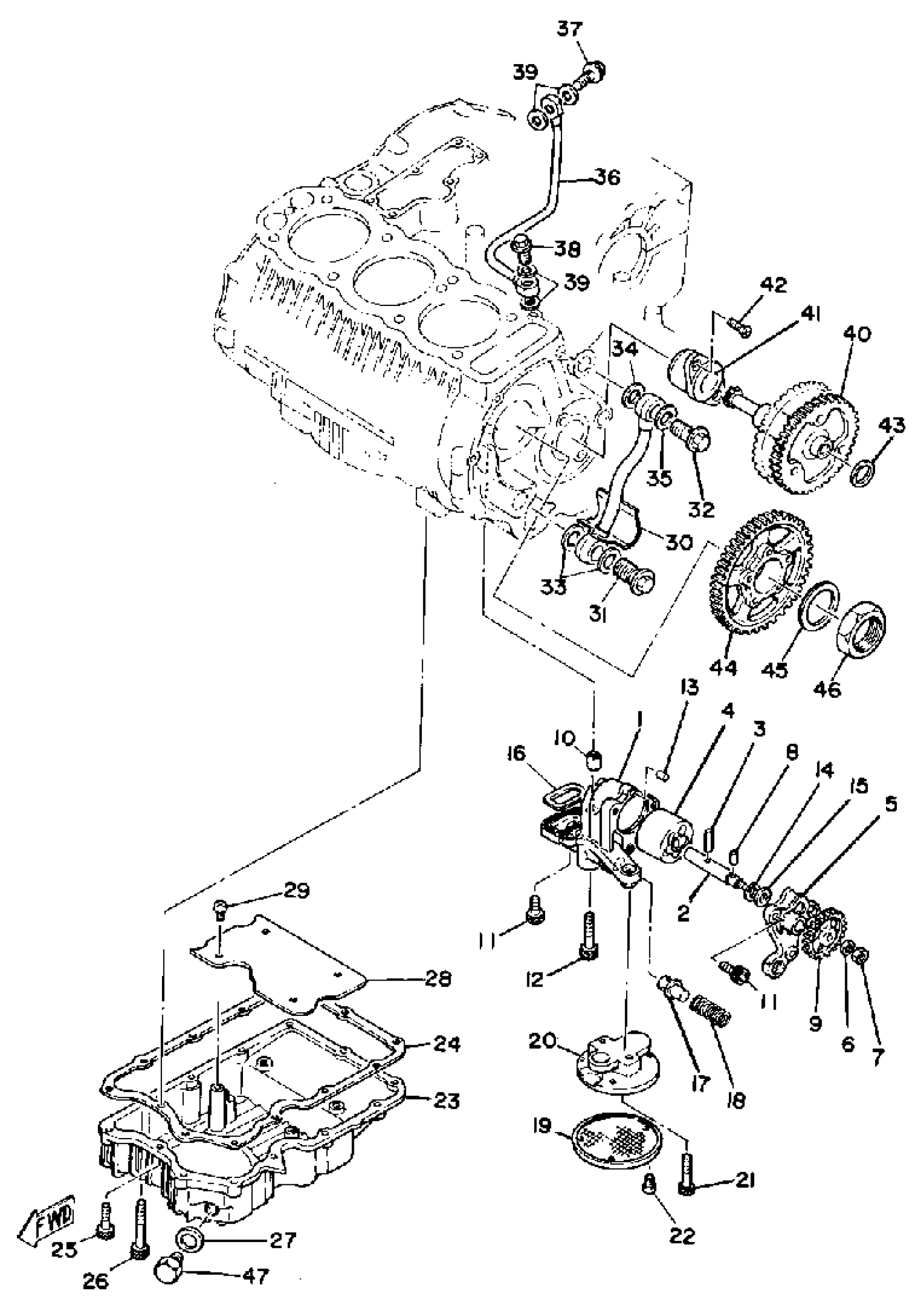
Yamaha XS850SG (XS850S) 1980 OIL PUMP Diagram
#
1
. HOUSING, ROTOR
2F3-13336-02-00
Unavailable
2
COVER, PUMP
(2F3-13306-00-00)
Unavailable
4
ROTOR ASSEMBLY 1
2F3-13310-01-00
Unavailable
5
COVER, PUMP
(2F3-13316-01-00)
Unavailable
6
WASHER, SPRING
92995-06100-00
Unavailable
7
NUT, HEXAGON
95380-06600-00
Unavailable
9
GEAR, PUMP DRIVEN 2
(1J7-13326-02-00)
Unavailable
11
BOLT,SOCKET
91317-06020-00
Unavailable
15
WASHER, PLATE
(90201-11154-00)
Unavailable
16
SEAL
1J7-13338-00-00
Unavailable
17
PLUNGER, RELIEF
1J7-13483-00-00
Unavailable
18
SPRING, RELIEF
1J7-13484-00-00
Unavailable
19
STRAINER, OIL
2F3-13411-00-00
Unavailable
20
HOUSING, STRAINER
(1J7-13412-01-00)
Unavailable
21
BOLT,SOCKET
91317-06035-00
Unavailable
22
SCREW,PAN HEAD (646)
98580-05012-00
Unavailable
23
COVER, STRAINER
1J7-13417-01-00
Unavailable
24
GASKET,STRNR COVER
1J7-13414-10-00
Unavailable
25
BOLT,SOCKET
91317-06025-00
Unavailable
26
BOLT,SOCKET
91317-06055-00
Unavailable
27
GASKET
214-11198-01-00
Unavailable
28
PLATE, BAFFLE LOWER
(1J7-13337-01-00)
Unavailable
29
SCREW PAN HEAD
98580-06010-00
Unavailable
30
PIPE, DELIVERY 2
2F3-13171-00-00
Unavailable
31
BOLT, UNION
(90401-18040-00)
Unavailable
32
BOLT, UNION
(90401-10054-00)
Unavailable
33
GASKET (1J7)
90430-18130-00
Unavailable
34
WASHER PLATE 341839090000
90201-10128-00
Unavailable
35
GASKET
90430-16048-00
Unavailable
36
PIPE, DELIVERY 1
2G2-13161-00-00
Unavailable
37
BOLT, UNION (371-13166-00)
90401-10013-00
Unavailable
38
BOLT, UNION (16G)
90401-10084-00
Unavailable
39
GASKET (5R6)
90430-10171-00
Unavailable
40
GEAR, PUMP DRIVEN
(1J7-13325-01-00)
Unavailable
41
HOUSING
(1J7-13313-00-00)
Unavailable
42
SCREW, OVAL HEAD
98603-06018-00
Unavailable
43
WASHER PLATE 328171160000
90201-20276-00
Unavailable
44
GEAR, PUMP DRIVE
(1J7-13324-00-00)
Unavailable
45
WASHER, PLATE
90201-26600-00
Unavailable
46
NUT, HEXAGON
(90170-26191-00)
Unavailable
47
PLUG, STRAIGHT SCREW(3FA)
90340-14132-00
Unavailable
