- Partiron
- OEM Parts
- Yamaha
- motorcycle
- 1980
- XS850SG (XS850S) 1980
ELECTRICAL 1
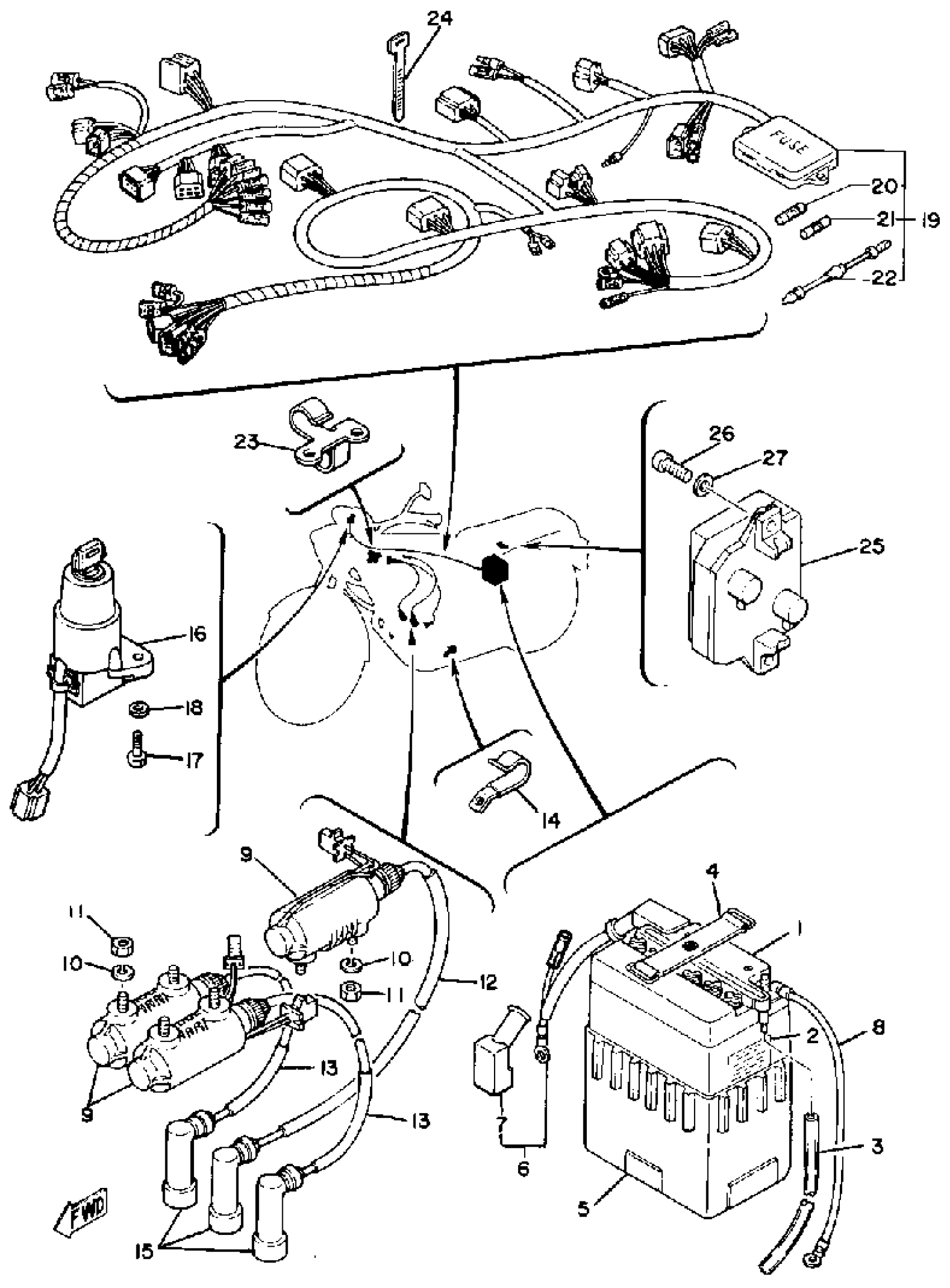
Yamaha XS850SG (XS850S) 1980 ELECTRICAL 1 Diagram
#
Description
Price
1
YB14LA2 YUASA BATTERY
YB1-4LA20-00-00
Unavailable
2
LABEL, BATTERY
40A-82141-G0-00
Unavailable
3
PIPE, BREATHER
(2G2-82112-00-00)
Unavailable
5
SEAT, BATTERY
447-82122-00-00
Unavailable
6
WIRE, PLUS LEAD
1J7-82115-00-00
Unavailable
7
COVER, LEAD WIRE
(1J7-82119-00-00)
Unavailable
8
WIRE, MINUS LEAD
1J7-82116-00-00
Unavailable
9
IGNITION COIL ASSY
4GR-81958-00-00
Unavailable
10
WASHER, SPRING
92995-06100-00
Unavailable
12
CORD, high tension 2
41R-82342-00-00
Unavailable
15
PLUG CAP ASSY
1J7-82370-00-00
Unavailable
15
PLUG CAP ASSY
1J7-82370-00-00
Unavailable
16
MAIN SWITCH STEERING LOCK
3JV-82501-00-00
Unavailable
17
BOLT, HEXAGON DEEP RECESS
97D95-06016-00
Unavailable
18
WASHER, PLAIN (646)
92990-06600-00
Unavailable
19
WIRE HARNESS ASSEMBLY
(3J2-82590-50-00)
Unavailable
20
FUSE
1A0-82151-00-00
Unavailable
21
FUSE
1A0-82161-00-00
Unavailable
22
RECTIFIER 2
3H5-81980-00-00
Unavailable
23
CLAMP
(2G2-82594-00-00)
Unavailable
24
BAND, SWITCH CORD
437-83936-11-00
Unavailable
25
IGNITOR UNIT ASSEMBLY 1
2F3-82305-11-00
Unavailable
26
SCREW, PAN HEAD (76T)
98517-06025-00
Unavailable
27
WASHER, PLATE
90201-06020-00
Unavailable
