- Partiron
- OEM Parts
- Yamaha
- motorcycle
- 1980
- XS850LG (XS850L) 1980
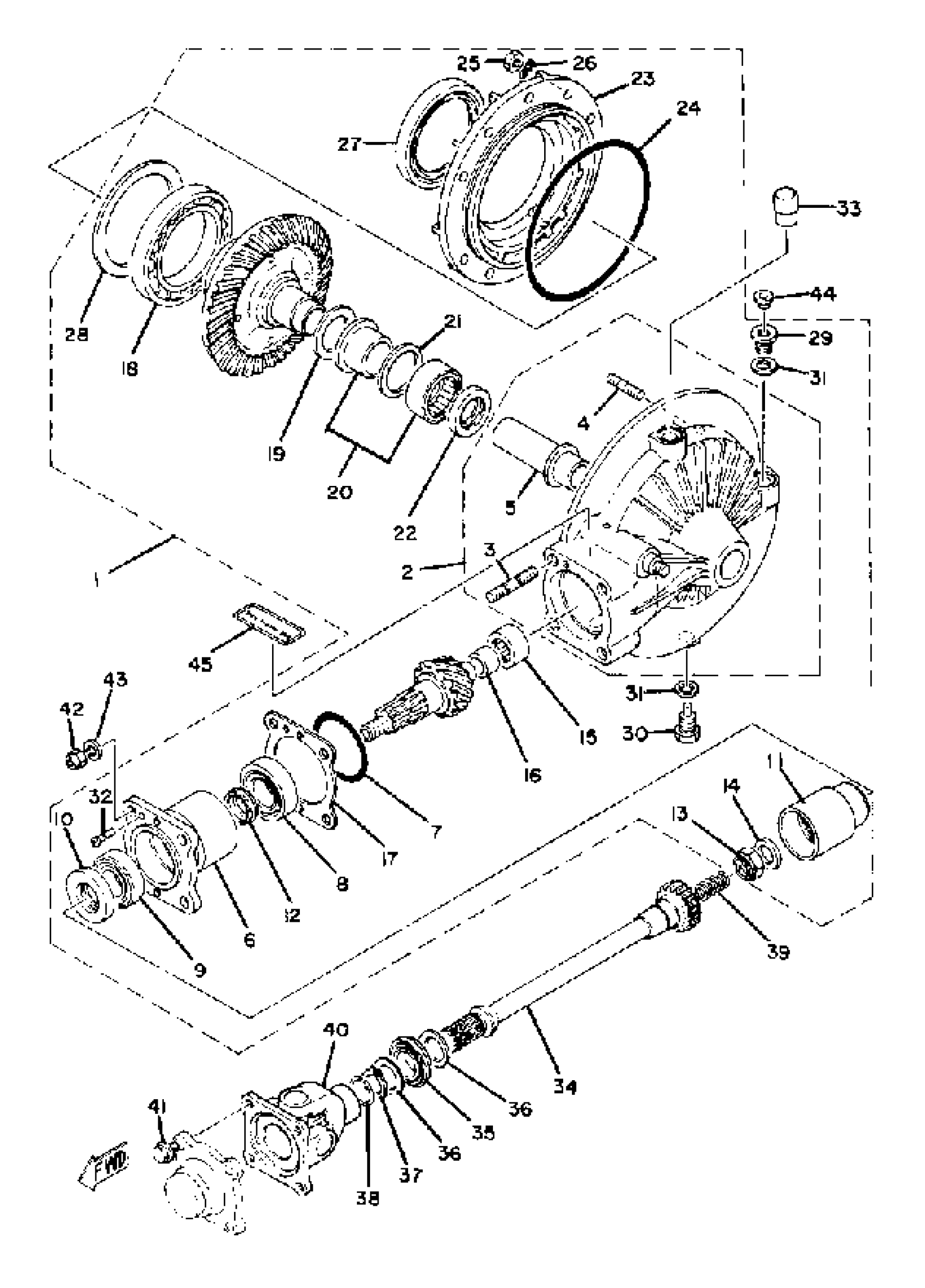
DRIVE SHAFT
Yamaha XS850LG (XS850L) 1980 DRIVE SHAFT Diagram
#
1
RR AXL GR CASE ASSEMBLY
(4H1-46101-H0-00)
Unavailable
2
HOUSING, DR SHAFT
(4H1-46150-Y0-00)
Unavailable
3
BOLT, STUD
(90116-10248-00)
Unavailable
4
.. BOLT, STUD
90116-08247-00
Unavailable
5
.. COLLAR, GUIDE
1J7-46153-Y0-00
Unavailable
6
HOUSING, BEARING
(1J7-46124-Y0-00)
Unavailable
8
BRG,TAPERED ROLLER 52MM KY
93332-00024-00
Unavailable
10
. OIL SEAL
93101-38086-00
Unavailable
11
COUPLING, GEAR
(3J2-46123-00-00)
Unavailable
14
WASHER, PLATE 11J7)
90201-14632-00
Unavailable
16
RACE, INNER
(1J7-46122-Y0-00)
Unavailable
17
. SHIM (035T)
1J7-46127-Y0-30
Unavailable
17
. SHIM (035T)
1J7-46127-Y0-30
Unavailable
17
SHIM,DRIVE PISTON
1J7-46127-Y0-40
Unavailable
17
SHIM,DRIVE PISTON
1J7-46127-Y0-40
Unavailable
17
. SHIM (050T)
1J7-46127-Y0-50
Unavailable
18
BEARING, CYLINDER.#16
(93316-01402-00)
Unavailable
19
SHIM, THRUST
(1J7-46119-Y0-10)
Unavailable
19
SHIM, THRUST
(1J7-46119-Y0-20)
Unavailable
20
. BEARING ASSEMBLY
1J7-46106-N0-00
Unavailable
21
. WASHER, THRUST
1J7-46118-Y0-18
Unavailable
21
. WASHER, THRUST
1J7-46118-Y0-19
Unavailable
21
. WASHER, THRUST
1J7-46118-Y0-20
Unavailable
21
. WASHER, THRUST
1J7-46118-Y0-21
Unavailable
22
OIL SEAL (30X42X7-1J7)
93101-30084-00
Unavailable
23
HOUSING, BEARING
(1J7-46152-Y0-00)
Unavailable
24
O-RING (1J7)
93211-44348-00
Unavailable
25
NUT(6L2)
95333-08600-00
Unavailable
26
WASHER(6TA)
92907-08700-00
Unavailable
27
OIL SEAL (4H7)
93102-70167-00
Unavailable
28
SHIM, RING GEAR (0.30T)
1J7-46117-Y0-30
Unavailable
28
. SHIM, RING GEAR (035T)
1J7-46117-Y0-35
Unavailable
28
SHIM, RING GEAR (0.40T)
1J7-46117-Y0-40
Unavailable
28
SHIM, RING GEAR (0.50T)
1J7-46117-Y0-50
Unavailable
29
PLUG, STRAIGHT SCREW
90340-14002-00
Unavailable
30
PLUG, STRAIGHT SCREW
90340-14004-00
Unavailable
31
GASKET
214-11198-01-00
Unavailable
32
. SCREW, FLAT HEAD (98701-05018-00)
98703-05018-00
Unavailable
33
. BREATHER COMP
4H3-17590-00-00
Unavailable
34
SHAFT, DRIVE
(3J2-46172-00-00)
Unavailable
35
OIL SEAL, OSO-TYPE
93108-27006-00
Unavailable
36
WASHER, PLATE
90201-27623-00
Unavailable
37
CIRCLIP
99009-26400-00
Unavailable
38
CLIP
90468-12088-00
Unavailable
39
SPRING, COMPRESSION (2H7)
90501-16491-00
Unavailable
40
CROSS JOINT
2H7-46180-00-00
Unavailable
41
BOLT WASHER BASED (1J7)
90105-08066-00
Unavailable
42
NUT, U
95616-10100-00
Unavailable
43
WASHER(6TA)
92907-10100-00
Unavailable
44
CAP, BOLT (371,447)
341-23469-00-00
Unavailable
45
LABEL, OIL CAUTION
1J7-46181-11-00
Unavailable
