Partiron

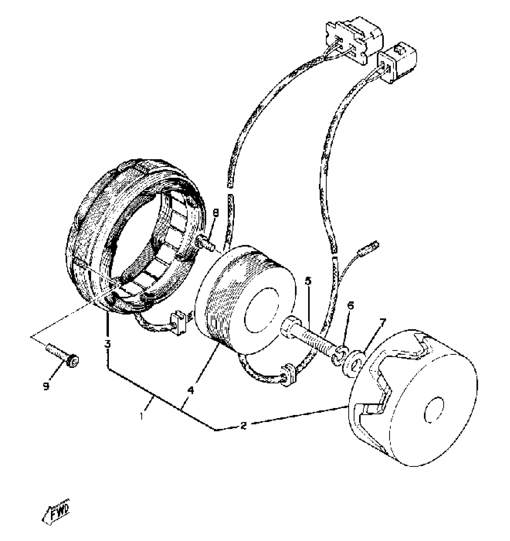
Yamaha XS850LG (XS850L) 1980 AC GENERATOR Diagram

#

Description
Price

1

AC GENERATOR ASSEMBLY

3J3-81600-10-00

Unavailable

2

ROTOR ASSEMBLY

(3J3-81650-10-00)

Unavailable

3

. STATOR ASSEMBLY

3J3-81610-10-00

Unavailable

4

. FIELD COIL ASSEMBLY

1J7-81660-10-00

Unavailable

5

BOLT (341)

90101-10188-00

$9.49

6

YBS67-10 WASHER, SPRING

92990-10100-00

$7.49

7

WASHER, PLATE(52H)

90201-102J5-00

Unavailable

8

BOLT,SOCKET

91317-06012-00

$8.49

9

BOLT, HEXAGON SOCKET HEAD(1VJ)

90110-06138-00

$5.60