- Partiron
- OEM Parts
- Yamaha
- motorcycle
- 1980
- XS850G (XS850) 1980
STARTER MOTOR
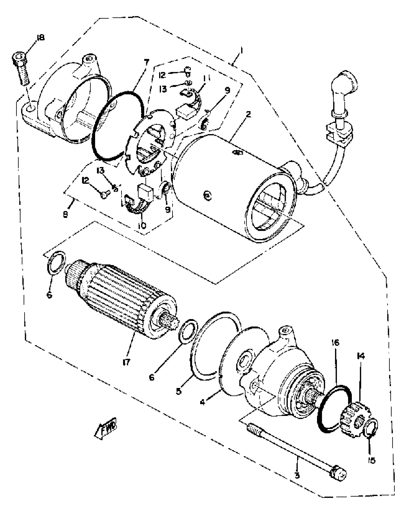
Yamaha XS850G (XS850) 1980 STARTER MOTOR Diagram
#
Description
Price
1
STARTING MOTOR ASSEMBLY
3J2-81800-60-00
Unavailable
2
STATOR ASSEMBLY
(1J7-81810-60-00)
Unavailable
3
. BOLT
371-81826-20-00
Unavailable
4
PLATE
(371-81845-20-00)
Unavailable
5
. GASKET
371-81844-20-00
Unavailable
6
. WASHER KIT
371-81809-20-00
Unavailable
7
.. O-RING
371-81847-20-00
Unavailable
8
. BRUSH HOLDER ASSEMBLY
371-81840-20-00
Unavailable
9
.. SPRING, BRUSH
371-81813-20-00
Unavailable
10
BRUSH 1
371-81811-20-00
Unavailable
11
BRUSH 2
371-81812-20-00
Unavailable
14
GEAR, STARTING MTR
(3J3-15511-00-00)
Unavailable
16
O-RING
1J7-81847-60-00
Unavailable
17
. ARMATURE ASSEMBLY
3J2-81850-60-00
Unavailable
18
BOLT,SOCKET
91314-08025-00
Unavailable
