- Partiron
- OEM Parts
- Yamaha
- motorcycle
- 1980
- XS850G (XS850) 1980
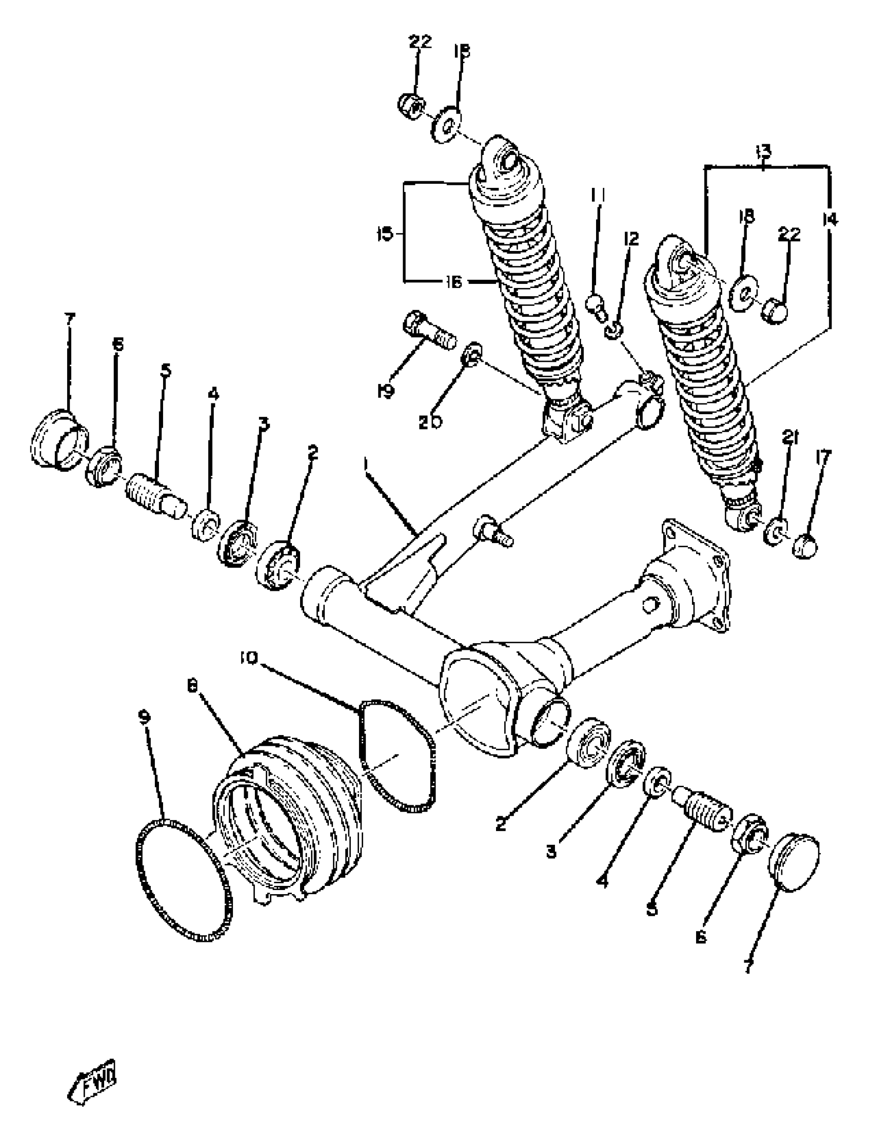
REAR ARM SUSPENSION
Yamaha XS850G (XS850) 1980 REAR ARM SUSPENSION Diagram
#
Description
Price
1
REAR ARM
(3J3-22110-01-33)
Unavailable
5
SHAFT, PIVOT
15B-22141-00-00
Unavailable
8
BOOT, RUBBER
2H7-22189-00-00
Unavailable
13
SHK/ABS ASSEMBLY, REAR
(3J3-22210-00-00)
Unavailable
14
SPRING
(3J2-22212-00-00)
Unavailable
14
SPRING
(3J2-22212-A0-00)
Unavailable
15
SHK/ABS ASSEMBLY, REAR
(3J3-22210-10-00)
Unavailable
16
SPRING
(3J2-22212-00-00)
Unavailable
17
NUT, CROWN(3BM)
90176-10073-00
Unavailable
18
WASHER PLATE 341222430000
90201-10142-00
Unavailable
19
BOLT,DOME HEAD
90106-10052-00
Unavailable
20
YBS67-10 WASHER, SPRING
92990-10100-00
Unavailable
21
WASHER, PLATE(3BM)
90201-105R9-00
Unavailable
22
NUT, CAP (371)
90176-10009-00
Unavailable
