- Partiron
- OEM Parts
- Yamaha
- motorcycle
- 1980
- XS850G (XS850) 1980
ELECTRICAL 2
Yamaha XS850G (XS850) 1980 ELECTRICAL 2 Diagram
#
Description
Price
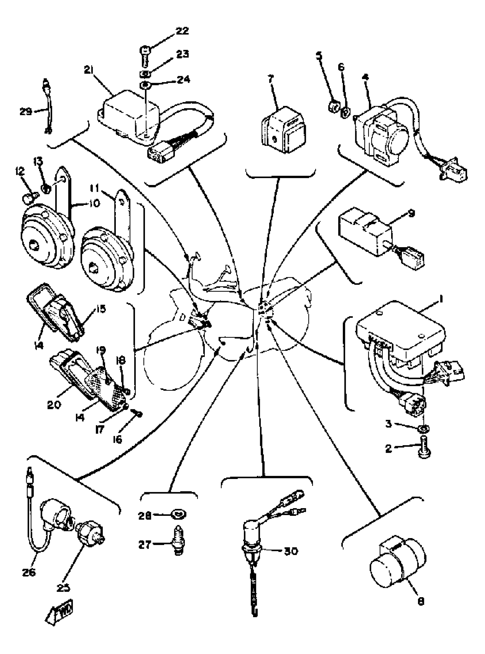
1
RECTIFIER/REG ASSEMBLY
1T4-81960-A0-00
Unavailable
3
WASHER, SPRING
92995-06100-00
Unavailable
4
STARTER SWITCH ASSEMBLY
1J7-81940-10-00
Unavailable
6
WASHER, SPRING
92995-06100-00
Unavailable
7
RELAY ASSY (3H5-00)
3H5-81950-00-00
Unavailable
8
FLASHER RELAY ASSEMBLY
3J3-83350-70-00
Unavailable
9
FLASHER CANCELING UNIT
1A0-83395-03-00
Unavailable
10
HORN
(3J3-83371-20-00)
Unavailable
11
HORN
3J3-83371-30-00
Unavailable
14
FRONT REFLECTOR ASSEMBLY
3G1-85110-00-00
Unavailable
15
BASE, REFLECTOR
(3J3-85127-00-00)
Unavailable
16
SCREW, PAN HEAD
98507-04018-00
Unavailable
17
WASHER, PLAIN (646)
92990-04600-00
Unavailable
18
SCREW, PAN HEAD
98580-04540-00
Unavailable
19
WASHER, PLAIN (646)
92990-04600-00
Unavailable
20
BASE, REFLECTOR
(3J3-85127-50-00)
Unavailable
21
RESERVE LIGHTING UNIT ASSEMBLY
2F9-84308-00-00
Unavailable
22
SCREW PAN HEAD
98580-06020-00
Unavailable
23
WASHER, SPRING
92995-06100-00
Unavailable
24
WASHER, PLAIN (646)
92990-06600-00
Unavailable
25
OIL PRESSURE SWITCH ASSEMBLY
341-82504-02-00
Unavailable
26
WIRE, LEAD
(1J7-82507-00-00)
Unavailable
27
NEUTRAL SWITCH ASSY
4GY-82540-10-00
Unavailable
28
GASKET (5R6)
90430-10171-00
Unavailable
29
FRONT STOP SWITCH ASSY
26H-83980-00-00
Unavailable
30
STOP SWITCH ASSY
2F1-82530-03-00
Unavailable
