Partiron

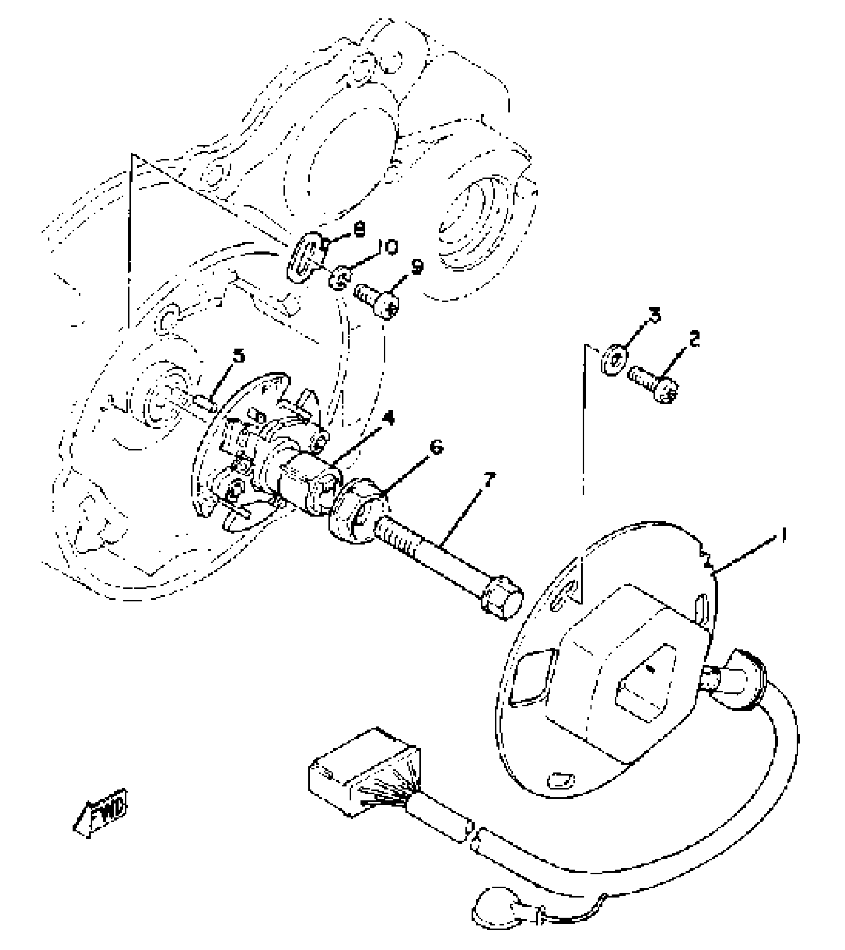
Yamaha XS750SF (XS750S) 1979 PULSER - GOVERNOR Diagram

#

Description
Price

1

BASE, PICKUP

2F3-81671-10-00

Unavailable

2

SCREW, PAN

98507-06014-00

$8.49

3

YBS66-6 WASHER, PLAIN

92990-06200-00

$3.78

4

GOVERNOR ASSEMBLY

(2F3-81653-11-00)

Unavailable

5

PIN, DOWEL (278)

93604-08071-00

$8.49

6

WASHER

2F3-81655-00-00

Unavailable

7

BOLT, WASHER BASED

90105-08067-00

Unavailable

8

PLATE, TIMING

(1J7-81632-00-00)

Unavailable

9

SCREW,PAN HEAD (646)

98580-05012-00

$7.99

10

YBS67-5 WASHER, SPRING

92990-05100-00

$0.35