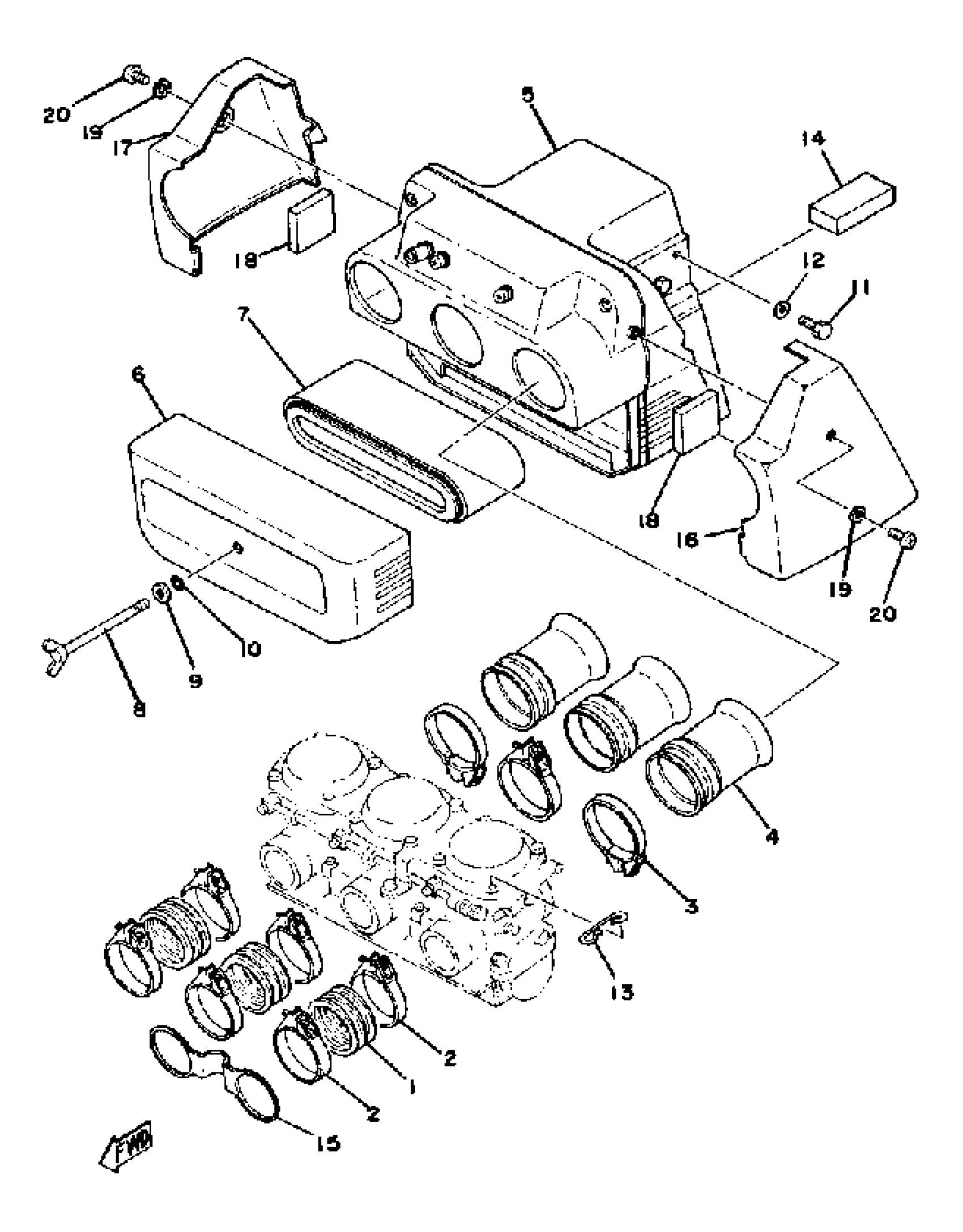
Yamaha XS750SE-31121 (XS750SE-311211) 1978 INTAKE Diagram
#
Description
Price
1
JOINT, CARBURETOR
2F3-13586-01-00
Unavailable
4
JOINT, AIR CLNR 1
2F3-14453-00-00
Unavailable
5
AIR CLEANER CASE
(2G2-W1441-01-00)
Unavailable
6
CAP, CLEANER CASE 2
2F3-14422-00-00
Unavailable
8
BOLT, WING
90122-06006-00
Unavailable
10
O-RING
93210-06257-00
Unavailable
13
CLIP
(90468-20083-00)
Unavailable
14
SEAL
(2F3-14452-00-00)
Unavailable
15
CLAMP
(90465-08120-00)
Unavailable
16
COVER 1
2G2-14417-00-00
Unavailable
17
COVER 2
2G2-14418-00-00
Unavailable
18
DAMPER 1
(2G2-14425-00-00)
Unavailable
19
WASHER PLATE 829771780000
90201-05033-00
Unavailable
20
SCREW, PAN HEAD(3LA)
98517-05010-00
Unavailable
