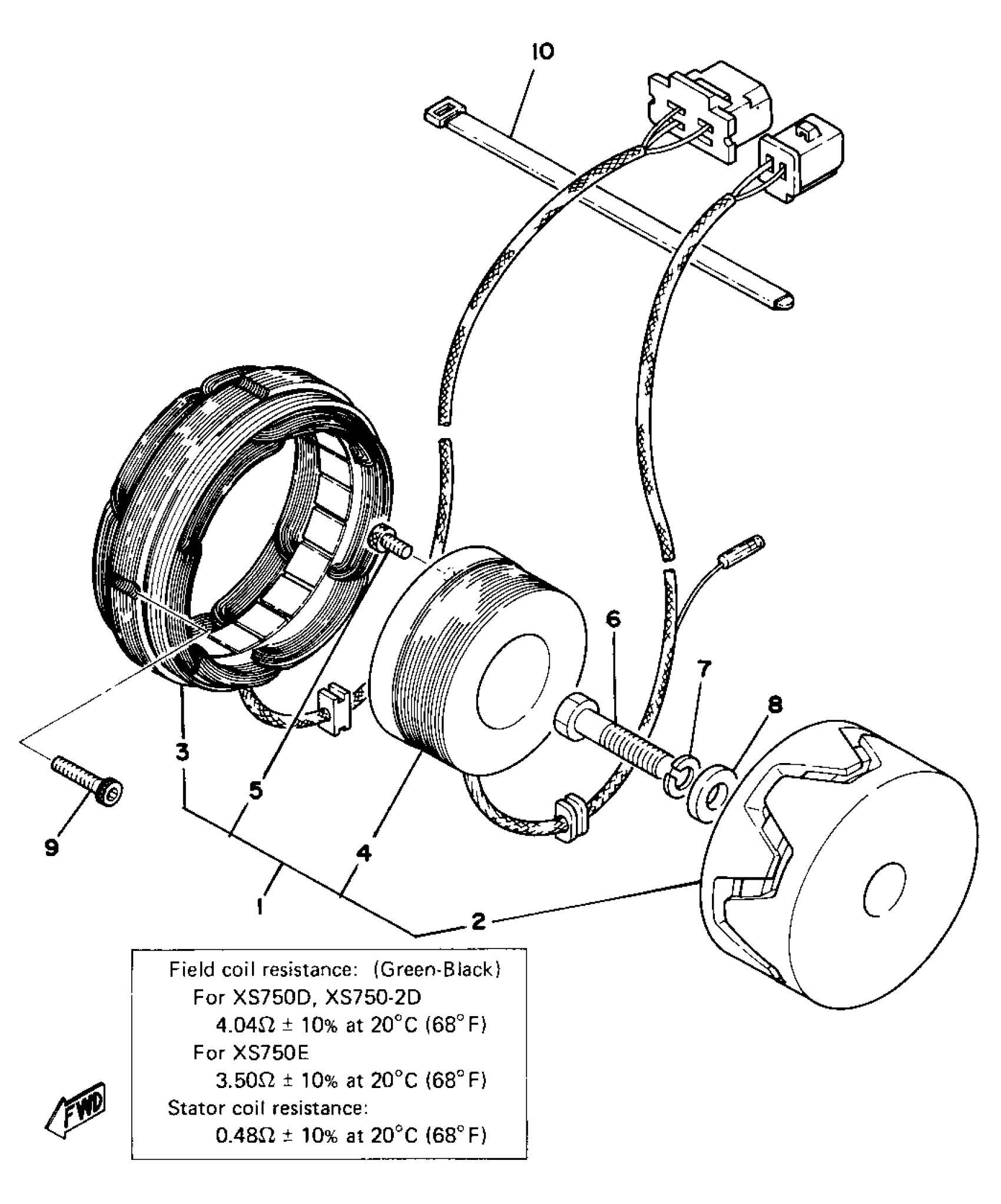
A - C - GENERATOR
#
1
(1J7-81600-10-00)
Unavailable
1
(1J7-81600-50-00)
Unavailable
2
(1J7-81650-10-00)
Unavailable
3
1J7-81610-10-00
Unavailable
3
1J7-81610-50-00
Unavailable
4
1J7-81660-10-00
Unavailable
8
90201-102J5-00
Unavailable
10
341-26397-01-00
Unavailable
Edit ride
