- Partiron
- OEM Parts
- Yamaha
- motorcycle
- 1978
- XS750E_227501 (XS750E_227501) 1978
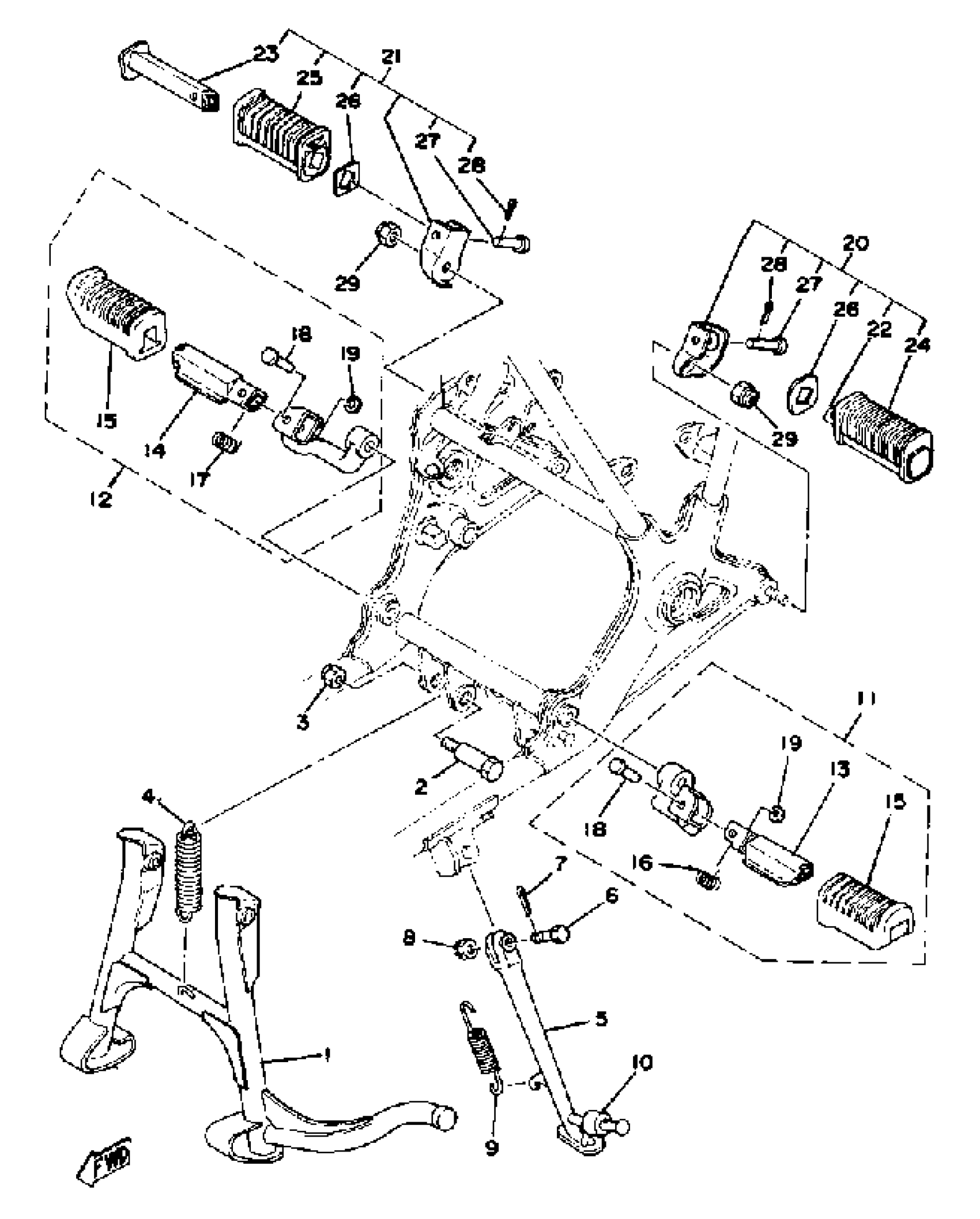
STAND - FOOTREST
Yamaha XS750E_227501 (XS750E_227501) 1978 STAND - FOOTREST Diagram
#
Description
Price
1
STAND, MAIN
2G2-27111-01-00
Unavailable
2
BOLT
90109-10440-00
Unavailable
4
SPRING, TENSION
90506-40145-00
Unavailable
5
STAND, SIDE
(1T5-27311-00-00)
Unavailable
8
NUT,CASTLE
90171-10049-00
Unavailable
10
STOPPER
278-27314-00-00
Unavailable
11
FRT FOOTREST ASSEMBLY L
(1J7-27410-02-00)
Unavailable
12
FRT FOOTREST ASSEMBLY R
1J7-27420-02-00
Unavailable
13
FOOTREST
1J7-27451-00-00
Unavailable
14
. FOOTREST
1J7-27461-00-00
Unavailable
16
. SPRING, TORSION
90508-20154-00
Unavailable
17
SPRING TORSION 371274560000
90508-20155-00
Unavailable
18
PIN (214-27418-00)
90243-08006-00
Unavailable
19
WASHER, PLATE (214-27417-00)
90201-06042-00
Unavailable
20
RR FOOTREST ASSEMBLY 1
1T4-27430-00-00
Unavailable
21
RR FOOTREST ASSEMBLY 2
1T4-27440-00-00
Unavailable
22
FOOTREST, REAR 1
447-27431-00-00
Unavailable
23
FOOTREST, REAR 2
447-27441-00-00
Unavailable
24
. COVER, RR FOOTREST
1J7-27433-00-00
Unavailable
25
. COVER, RR FOOTREST
1J7-27444-00-00
Unavailable
26
WASHER 447274370000
90209-18070-00
Unavailable
27
PIN, CLEVIS (2F9)
91701-06035-00
Unavailable
28
PIN, COTTER
91490-16020-00
Unavailable
29
NUT, SELF-LOCKING(1KH)
90185-12134-00
Unavailable
