- Partiron
- OEM Parts
- Yamaha
- motorcycle
- 1978
- XS750E_227501 (XS750E_227501) 1978
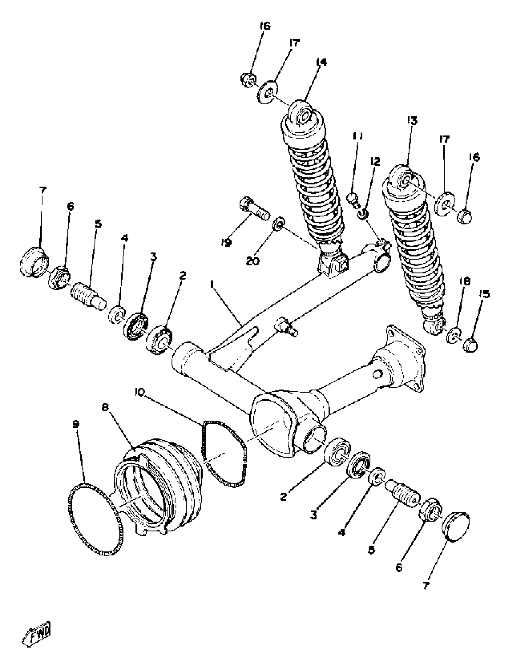
REAR ARM - REAR CUSHION
Yamaha XS750E_227501 (XS750E_227501) 1978 REAR ARM - REAR CUSHION Diagram
#
Description
Price
1
REAR ARM
(1J7-22110-03-33)
Unavailable
5
SHAFT, PIVOT
15B-22141-00-00
Unavailable
7
PLUG (1J7)
90338-34069-00
Unavailable
8
BOOT, RUBBER
2H7-22189-00-00
Unavailable
13
SHK/ABS ASSEMBLY, REAR
1T5-22210-01-00
Unavailable
14
SHK/ABS ASSEMBLY, REAR
(1T4-22210-12-00)
Unavailable
16
NUT, CAP (371)
90176-10009-00
Unavailable
17
WASHER PLATE 341222430000
90201-10142-00
Unavailable
18
WASHER, PLATE(3BM)
90201-105R9-00
Unavailable
19
BOLT,DOME HEAD
90106-10052-00
Unavailable
20
YBS67-10 WASHER, SPRING
92990-10100-00
Unavailable
