- Partiron
- OEM Parts
- Yamaha
- motorcycle
- 1977
- XS750D (XS750) 1977
TAIL LAMP (XS750-2D)
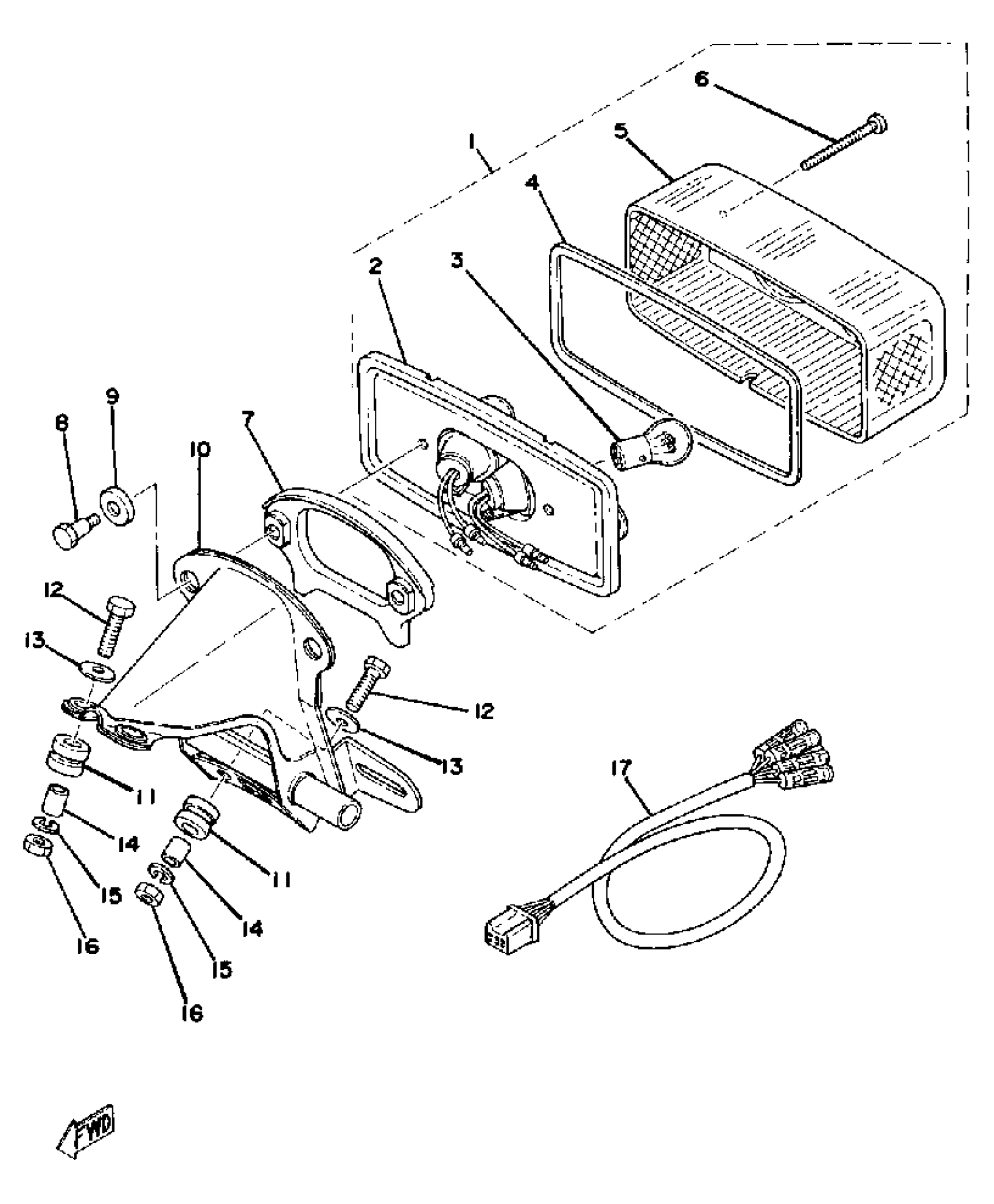
Yamaha XS750D (XS750) 1977 TAIL LAMP (XS750-2D) Diagram
#
Description
Price
1
TAILLIGHT UNIT ASSEMBLY
2A2-84710-60-00
Unavailable
2
. BASE, TAILLIGHT
(1A0-84711-60-00)
Unavailable
4
. GASKET, TAIL LENS
1A0-84723-60-00
Unavailable
5
. LENS, TAILLIGHT
1A0-84721-60-00
Unavailable
6
SCREW, PANHEAD (4G7)
98580-04055-00
Unavailable
7
SHEET, BASE
1A0-84712-60-00
Unavailable
8
BOLT, TAILLAMP
1A0-84726-60-00
Unavailable
10
BRACKET, LICENSE
(1T4-84751-60-33)
Unavailable
15
WASHER, SPRING
92995-06100-00
Unavailable
16
NUT, HEXAGON
95380-06600-00
Unavailable
17
CORD, TAILLIGHT
(1T4-84717-00-00)
Unavailable
