- Partiron
- OEM Parts
- Yamaha
- motorcycle
- 1977
- XS750D (XS750) 1977
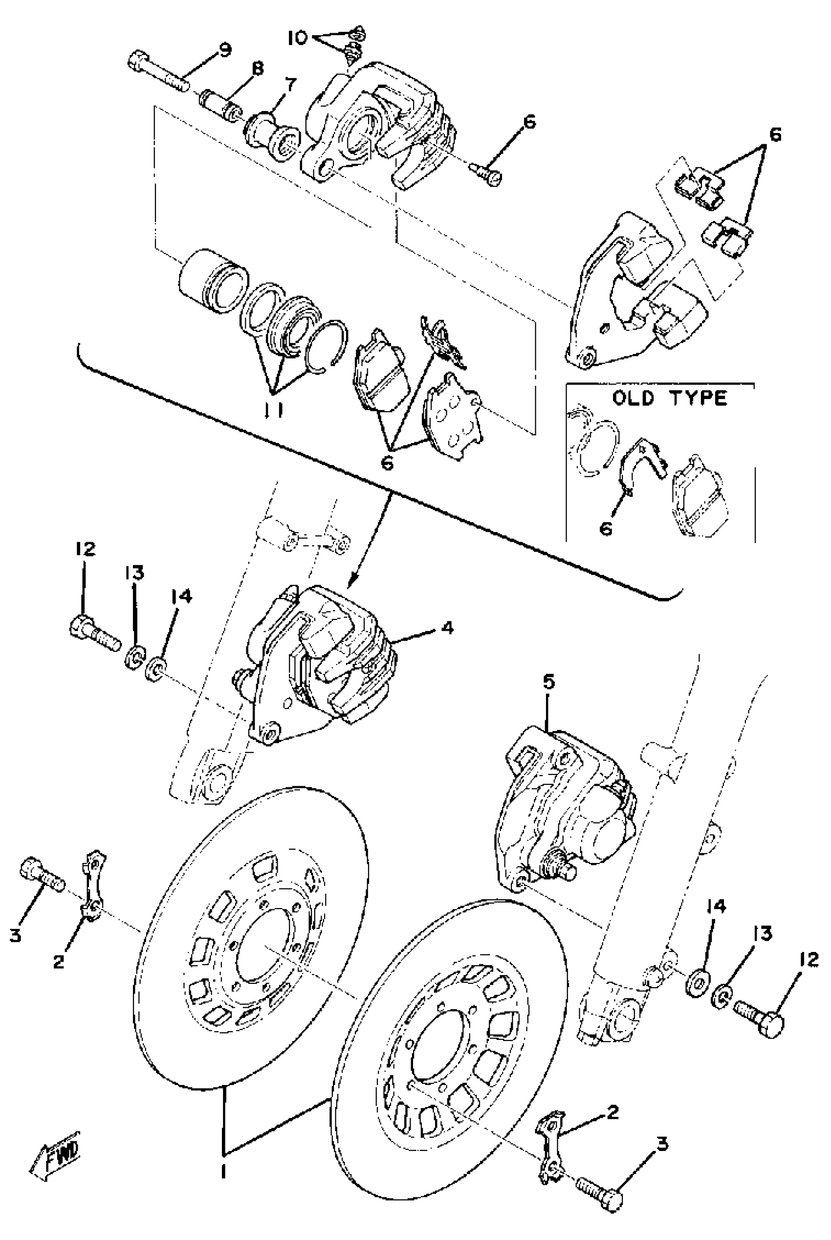
FRONT DISC BRAKE - CALIPER
Yamaha XS750D (XS750) 1977 FRONT DISC BRAKE - CALIPER Diagram
#
Description
Price
1
DISC, BRAKE
1J3-25831-50-00
Unavailable
4
CALIPER ASSEMBLY RH
3H5-25810-02-00
Unavailable
5
CALIPER ASSEMBLY LH
3H5-25810-12-00
Unavailable
7
BOOT, CALIPER
1J3-25917-00-00
Unavailable
8
. SLEEVE, CALIPER
1J3-25838-00-00
Unavailable
9
. BOLT, WASHER BASED
90105-08145-00
Unavailable
10
BLEED SCREW KIT
1J3-W0048-00-00
Unavailable
