- Partiron
- OEM Parts
- Yamaha
- motorcycle
- 1977
- XS750D (XS750) 1977
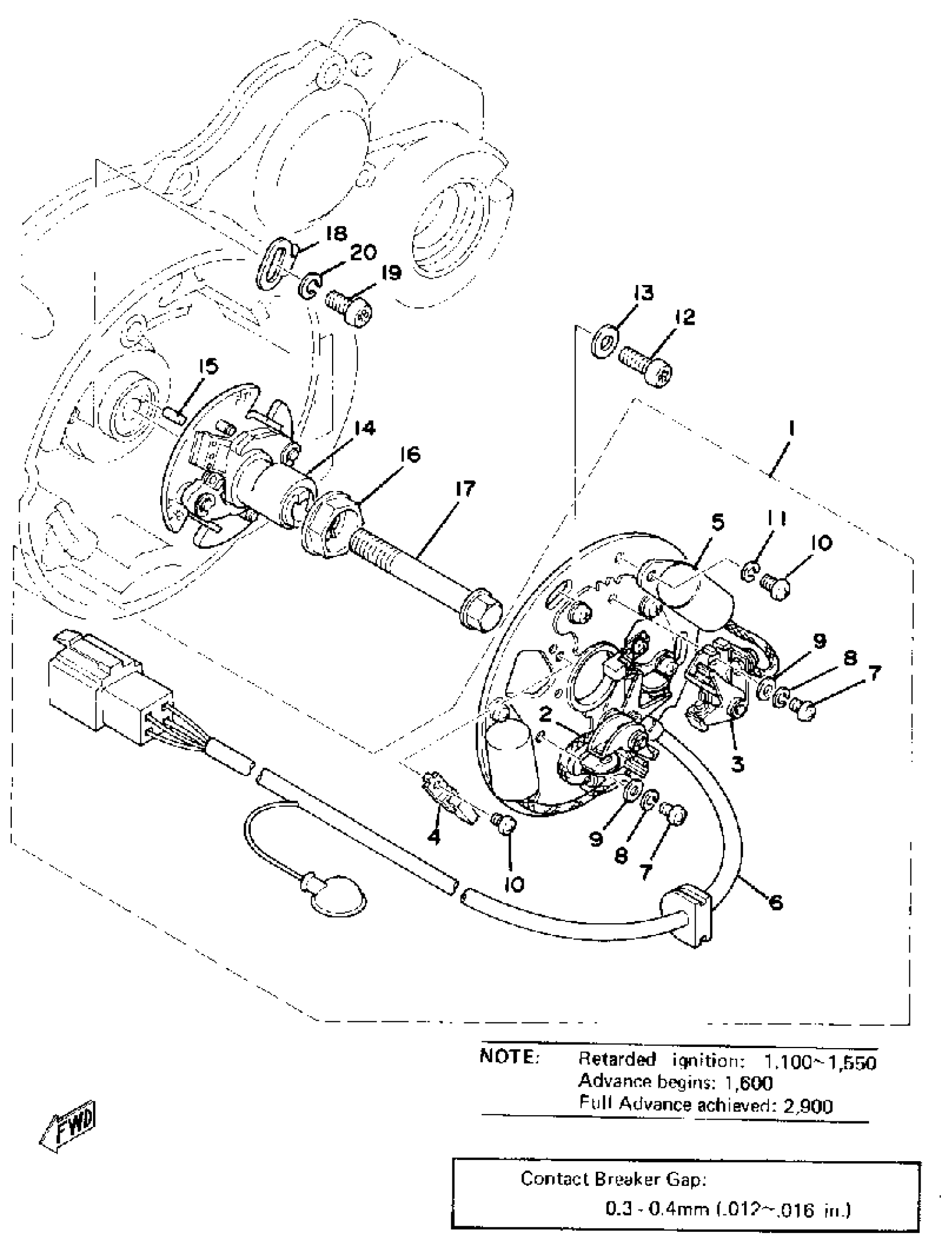
CONTACT BREAKER - GOVERNOR
Yamaha XS750D (XS750) 1977 CONTACT BREAKER - GOVERNOR Diagram
#
Description
Price
1
BREAKER PLATE ASSEMBLY
(1J7-81620-10-00)
Unavailable
2
. CONTACT BRKR ASSEMBLY
1J7-81621-10-00
Unavailable
3
. CONTACT BRKR ASSEMBLY
1J7-81622-10-00
Unavailable
4
LUBRICATOR
(1J7-81631-10-00)
Unavailable
5
. CONDENSER 1
1J7-81625-10-00
Unavailable
6
LEAD WIRE ASSEMBLY
(1J7-81634-10-00)
Unavailable
7
SCREW, PAN HEAD(3XP)
98517-04006-00
Unavailable
10
SCREW, PAN HEAD(3XP)
98517-04006-00
Unavailable
14
GOVERNOR ASSEMBLY
(1J7-81653-11-00)
Unavailable
16
WASHER
2F3-81655-00-00
Unavailable
17
BOLT, WASHER BASED
90105-08067-00
Unavailable
18
PLATE, TIMING
(1J7-81632-00-00)
Unavailable
19
SCREW,PAN HEAD (646)
98580-05012-00
Unavailable
20
YBS67-5 WASHER, SPRING
92990-05100-00
Unavailable
