- Partiron
- OEM Parts
- Yamaha
- motorcycle
- 1982
- XS650SJ (XS650S) 1982
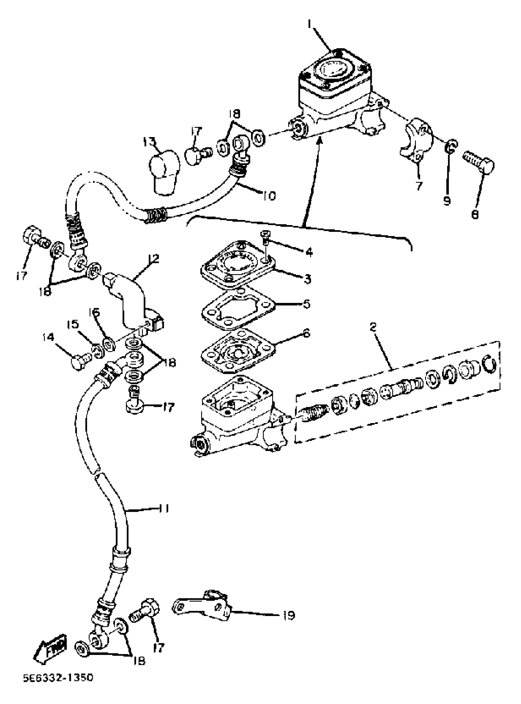
FRONT MASTER CYLINDER
Yamaha XS650SJ (XS650S) 1982 FRONT MASTER CYLINDER Diagram
#
Description
Price
1
MSTR CYLINDER ASSEMBLY
3G1-25850-00-00
Unavailable
3
. RESERVOIR CAP ASSY
1J3-25852-01-00
Unavailable
4
SCREW,FLAT HEAD
98707-05030-00
Unavailable
5
. GASKET
1J3-25855-01-00
Unavailable
7
BRACKET, MASTER
1J3-25867-00-00
Unavailable
10
HOSE, BRAKE 1
2M0-25872-00-00
Unavailable
11
HOSE BRK ASY
99999-02813-00
Unavailable
12
JOINT
1J7-25885-01-00
Unavailable
15
WASHER, SPRING
92995-06100-00
Unavailable
16
WASHER, PLAIN (646)
92990-06600-00
Unavailable
17
BOLT, UNION(3GM)
90401-10159-00
Unavailable
18
WASHER, PLATE(481)
90201-10118-00
Unavailable
19
HOLDER, BRKE HOSE 1
1J3-25875-02-00
Unavailable
