- Partiron
- OEM Parts
- Yamaha
- motorcycle
- 1981
- XS650SH (XS650S) 1981
TAILLIGHT
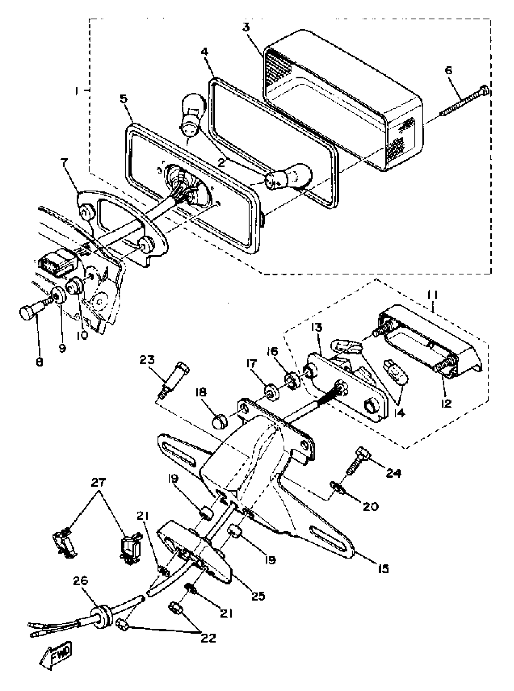
Yamaha XS650SH (XS650S) 1981 TAILLIGHT Diagram
#
Description
Price
1
. TAILLIGHT UNIT ASSY
3G1-84710-60-00
Unavailable
3
. LENS, TAILLIGHT
1A8-84721-61-00
Unavailable
4
. GASKET, TAIL LENS
1A0-84723-60-00
Unavailable
5
. TAILLIGHT UNIT ASSY
3G1-84710-60-00
Unavailable
6
SCREW, PANHEAD (4G7)
98580-04055-00
Unavailable
7
SEAT, BASE
3G1-84712-00-00
Unavailable
8
SCREW
3G1-84726-00-00
Unavailable
10
GROMMET
90480-16113-00
Unavailable
11
LICENSE LITE ASSY
1UF-84745-A0-00
Unavailable
12
. BODY, LICENCE LIGHT
3F9-84749-00-00
Unavailable
13
BASE, LICENSE LIGHT
(3G1-84741-00-00)
Unavailable
14
. BULB, METER 12V 38W
3F9-84744-00-XX
Unavailable
15
BRACKET, LICENSE
3G1-84751-00-93
Unavailable
16
DAMPER
3G1-84553-00-00
Unavailable
17
WASHER, SPECIAL
3F9-84754-00-00
Unavailable
18
NUT (CROWN)
95303-05800-00
Unavailable
19
DAMPER
3G1-84753-60-00
Unavailable
20
WASHER, PLAIN
92990-08200-00
Unavailable
21
WASHER, SPRING
92995-06100-00
Unavailable
22
NUT, HEXAGON
95380-06600-00
Unavailable
23
BOLT
3G1-84761-00-00
Unavailable
24
BOLT
90109-06655-00
Unavailable
25
DAMPER
3G1-84753-00-00
Unavailable
26
GROMMET (438)
90480-15061-00
Unavailable
27
CLAMP (1J7)
90464-16021-00
Unavailable
