- Partiron
- OEM Parts
- Yamaha
- motorcycle
- 1981
- XS650SH (XS650S) 1981
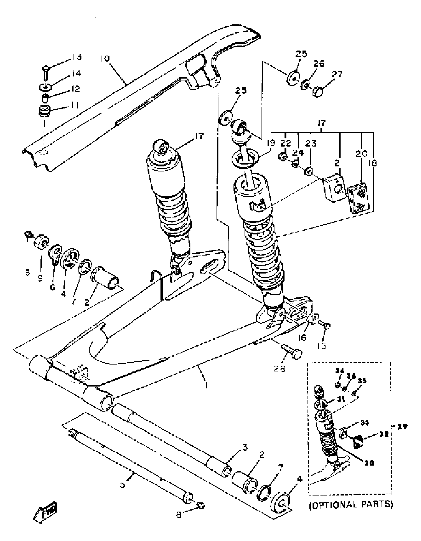
REAR ARM SUSPENSION
Yamaha XS650SH (XS650S) 1981 REAR ARM SUSPENSION Diagram
#
1
REAR ARM
(2M0-22110-10-98)
Unavailable
3
BUSH
341-22184-00-00
Unavailable
5
SHAFT, PIVOT
447-22141-00-00
Unavailable
6
WASHER, LOCK
90215-14055-00
Unavailable
8
NIPPLE, GREASE
93700-06M03-00
Unavailable
10
CASE, CHAIN
2M0-22311-00-93
Unavailable
16
WASHER, LOCK
90215-07164-00
Unavailable
17
SHK/ABS ASSEMBLY, REAR
4M4-22210-00-00
Unavailable
18
. SPRING
2M0-22212-00-00
Unavailable
19
. SEAT, SPRING UPPER
341-22213-20-00
Unavailable
20
REAR REFLECTOR ASSY
4KM-85130-00-00
Unavailable
21
. BASE, REFLECTOR REAR
3G1-85137-00-00
Unavailable
22
NUT, HEXAGON (663)
95380-05600-00
Unavailable
23
. WASHER, PLAIN
92990-05200-00
Unavailable
24
YBS67-5 WASHER, SPRING
92990-05100-00
Unavailable
25
WASHER, PLATE (3J6)
90201-100A1-00
Unavailable
26
YBS67-10 WASHER, SPRING
92990-10100-00
Unavailable
27
NUT, CAP (371)
90176-10009-00
Unavailable
28
BOLT ROUND 214222410000
90106-10025-00
Unavailable
29
SHK/ABS ASSEMBLY, REAR
(4M4-22210-10-00)
Unavailable
30
SPRING
(2M0-22212-10-00)
Unavailable
31
. SEAT, SPRING UPPER
341-22213-20-00
Unavailable
32
REAR REFLECTOR ASSY
4KM-85130-00-00
Unavailable
33
. BASE, REFLECTOR REAR
3G1-85137-00-00
Unavailable
34
NUT, HEXAGON (663)
95380-05600-00
Unavailable
35
. WASHER, PLAIN
92990-05200-00
Unavailable
36
YBS67-5 WASHER, SPRING
92990-05100-00
Unavailable
