Partiron

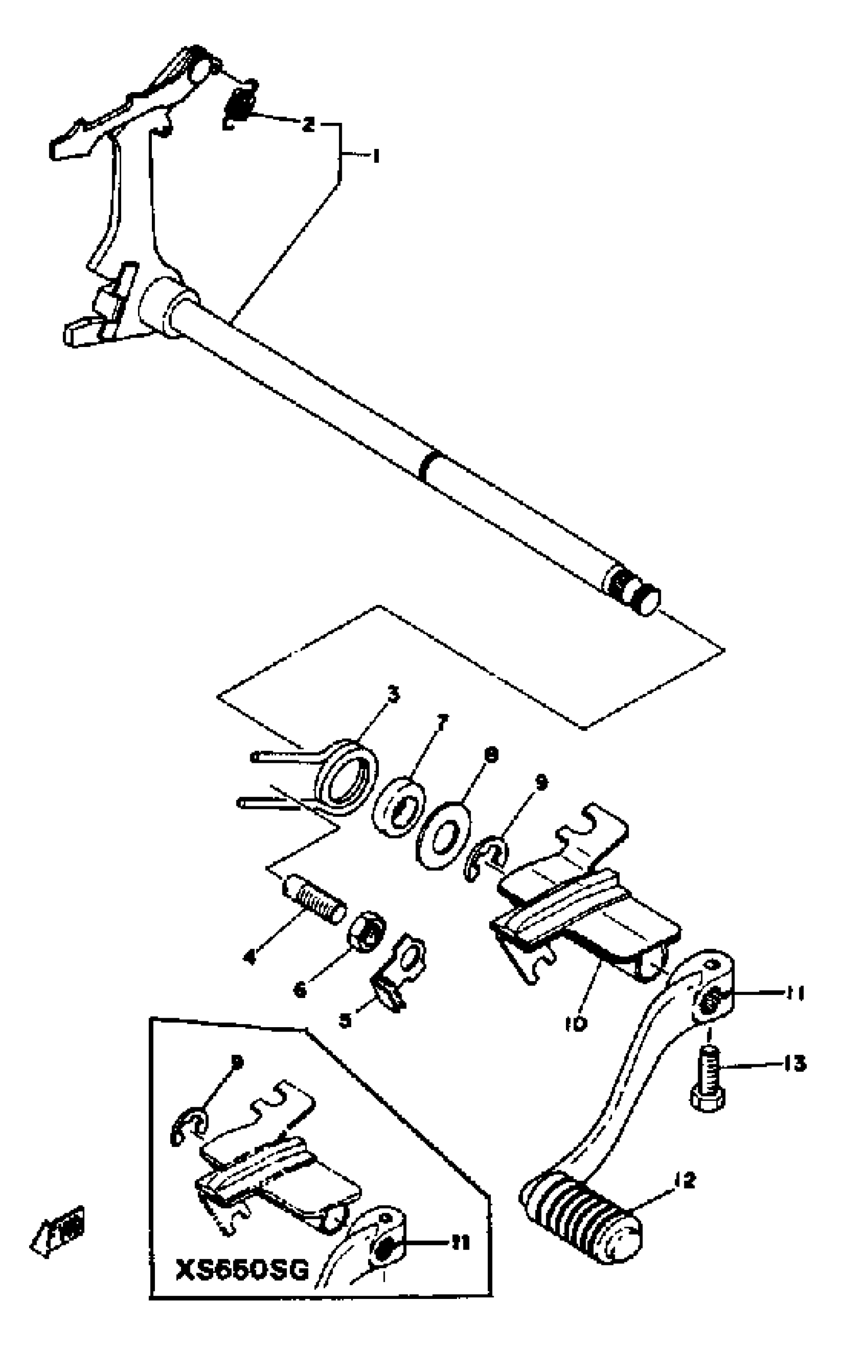
Yamaha XS650SE-114241 (XS650SE-114241) 1978 SHIFT SHAFT PEDAL Diagram

#

Description
Price

1

SHIFT SHAFT ASY. 1

256-18101-03-00

Unavailable

2

SPRING, TENSION

90506-08007-00

Unavailable

3

SPRING, TORSION

90508-32559-00

Unavailable

4

SCREW, SPEC''L SHAPE

(90149-10018-00)

Unavailable

5

WASHER, LOCK

90215-10105-00

Unavailable

6

NUT, HEXAGON

90170-10038-00

$4.67

7

OIL SEAL (14X24X6-256)

93109-14010-00

$13.49

8

WASHER PLATE 248181370000

90201-14220-00

$8.49

9

. CIRCLIP

99001-12600-00

Unavailable

10

GUIDE, CHAIN 1

447-17467-02-00

Unavailable

11

PEDAL, SHIFT

2J2-18111-01-00

$51.99

12

COVER, CHANGE PEDAL

132-18113-01-00

$7.99

13

BOLT, HEXAGON

97017-06020-00

$4.06