Yamaha XS650SE-114241 (XS650SE-114241) 1978 FUEL TANK SE Diagram
#
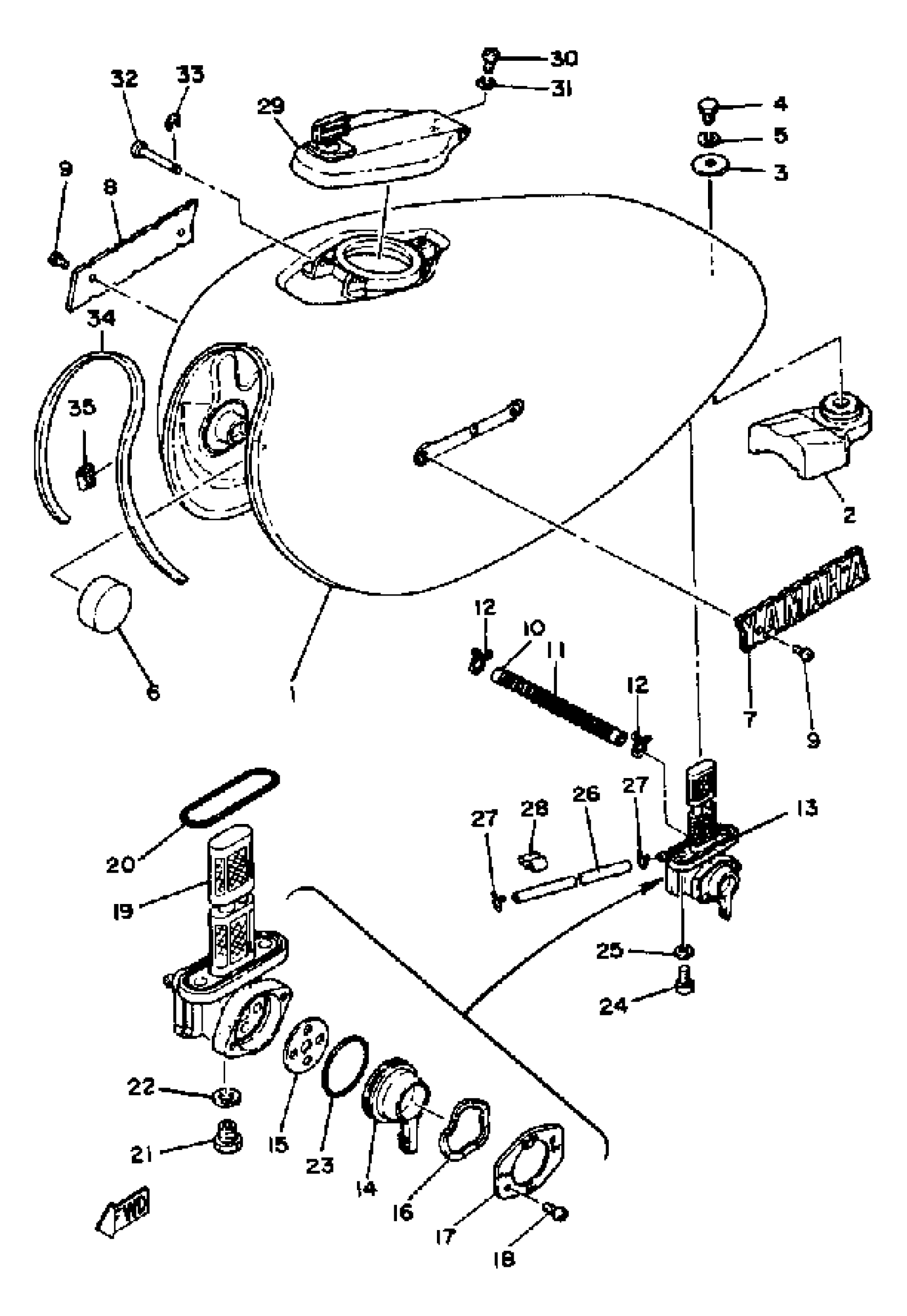
1
FUEL TANK
2M0-24110-00-H7
Unavailable
1
FUEL TANK (NEW WHITE)
2M0-24110-00-J9
Unavailable
2
EMBLEM 1
2M0-24161-00-00
Unavailable
3
EMBLEM 2
2M0-24162-00-00
Unavailable
5
CAP ASSY
4R0-24602-01-00
Unavailable
6
SCREW, PAN HEAD(62X)
97885-05010-00
Unavailable
8
PIN, SPECIAL SHAPE
90249-03123-00
Unavailable
11
DAMPER, LOCATING 1
256-24181-01-00
Unavailable
13
WASHER, SPRING
92995-06100-00
Unavailable
15
FUEL COCK ASSEMBLY 1 (2M0-24500-03)
2M0-24500-04-00
Unavailable
15
FUEL COCK ASSEMBLY 1 (2M0-24500-03)
2M0-24500-04-00
Unavailable
16
FUEL COCK ASSEMBLY 2 (2M0-24510-02)
2M0-24510-04-00
Unavailable
16
FUEL COCK ASSEMBLY 2 (2M0-24510-02)
2M0-24510-04-00
Unavailable
17
O-RING
2G2-24512-00-00
Unavailable
18
. NET, FILTER 1
2G2-24514-00-00
Unavailable
19
VALVE
16G-24523-00-00
Unavailable
20
O-RING
2G2-24534-00-00
Unavailable
21
LEVER, COCK
(2G2-24524-00-00)
Unavailable
21
LEVER, COCK
(2G2-24524-10-00)
Unavailable
22
. WASHER, WAVE
16G-24518-00-00
Unavailable
23
PLATE, LVR FITTING
(2G2-24525-00-00)
Unavailable
23
. PLATE, LVR FITTING
2G2-24525-10-00
Unavailable
24
SCREW, PAN HEAD (J10)
98580-03008-00
Unavailable
25
. UNAVAILABLE IN PRICE BOOK
2G2-34522-00-00
Unavailable
26
. PLUG, DRAIN
2G2-24543-00-00
Unavailable
27
SCREW 366241430000
90149-06008-00
Unavailable
28
WASHER, PLATE(3MB)
90202-05187-00
Unavailable
29
HOSE (L450)
90445-10144-00
Unavailable
30
SPRING, COMPRESSION
90504-06023-00
Unavailable
31
CLIP
90467-090A2-00
Unavailable
32
HOSE (L200)
90445-07176-00
Unavailable
32
HOSE (L200)
90445-07176-00
Unavailable
33
CLIP (1J7)
90467-07029-00
Unavailable
34
CLAMP(56R)
90464-60067-00
Unavailable
35
PLATE, MOLD
2M0-24189-00-00
Unavailable
36
CLIP
90468-03063-00
Unavailable
