- Partiron
- OEM Parts
- Yamaha
- motorcycle
- 1977
- XS650D (XS650) 1977
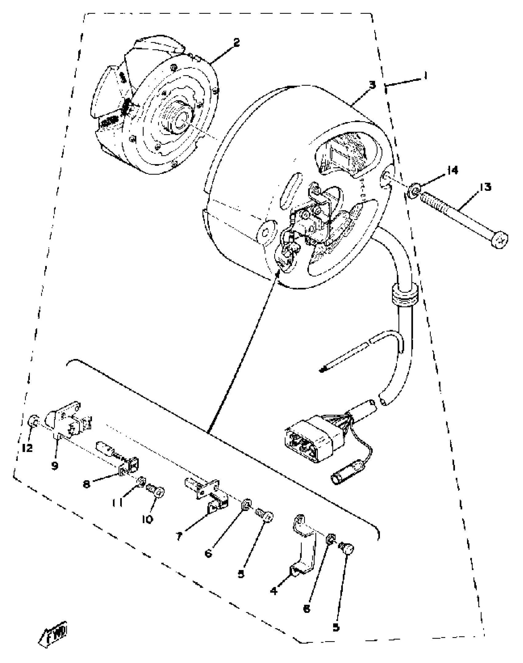
AC GENERATOR XS650D E E006501~ F
Yamaha XS650D (XS650) 1977 AC GENERATOR XS650D E E006501~ F Diagram
#
Description
Price
1
AC GENERATOR ASSEMBLY
306-81600-14-00
Unavailable
2
. ROTOR ASSEMBLY
256-81650-11-00
Unavailable
3
. STATOR ASSEMBLY
306-81610-12-00
Unavailable
4
PROTECTOR
(256-81614-10-00)
Unavailable
7
.. BRUSH 1
256-81611-11-00
Unavailable
8
.. BRUSH 2
256-81612-11-00
Unavailable
9
.. HOLDER, BRUSH
256-81613-10-00
Unavailable
10
SCREW, PAN HEAD
98511-04012-00
Unavailable
14
WASHER, SPRING
92995-06100-00
Unavailable
