- Partiron
- OEM Parts
- Yamaha
- motorcycle
- 1979
- XS650_2F (XS650_2F) 1979
ELECTRICAL 2
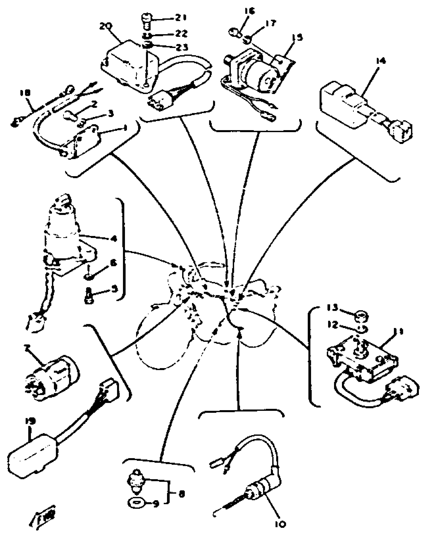
Yamaha XS650_2F (XS650_2F) 1979 ELECTRICAL 2 Diagram
#
Description
Price
1
CONDENSER 1
256-81625-10-00
Unavailable
2
SCREW, PAN HEAD(6A3)
97885-06008-00
Unavailable
3
WASHER, SPRING
92995-06100-00
Unavailable
4
MAIN SWITCH STEERING LOCK
3JV-82501-00-00
Unavailable
7
FLASHER RELAY ASSY
2NV-83350-00-00
Unavailable
10
STOP SWITCH ASSEMBLY
533-82530-02-00
Unavailable
11
RECTIFIER ASSEMBLY
447-81970-10-00
Unavailable
13
. NUT
95380-08700-00
Unavailable
14
CHECKER, LIGHT
2M0-84708-01-00
Unavailable
15
STARTER SWITCH ASSEMBLY
447-81940-10-00
Unavailable
16
SCREW, PAN
98507-06014-00
Unavailable
17
WASHER, SPRING
92995-06100-00
Unavailable
18
WIRE, LEAD
256-81615-00-00
Unavailable
19
FLASHER CANCELING UNIT
1A0-83395-03-00
Unavailable
20
RSRV LIGHTING UNIT ASSEMBLY
1T3-84308-00-00
Unavailable
21
SCREW, PAN HEAD(6E5)
97880-06018-00
Unavailable
22
WASHER, SPRING
92995-06100-00
Unavailable
