- Partiron
- OEM Parts
- Yamaha
- motorcycle
- 1978
- XS500E (XS500) 1978
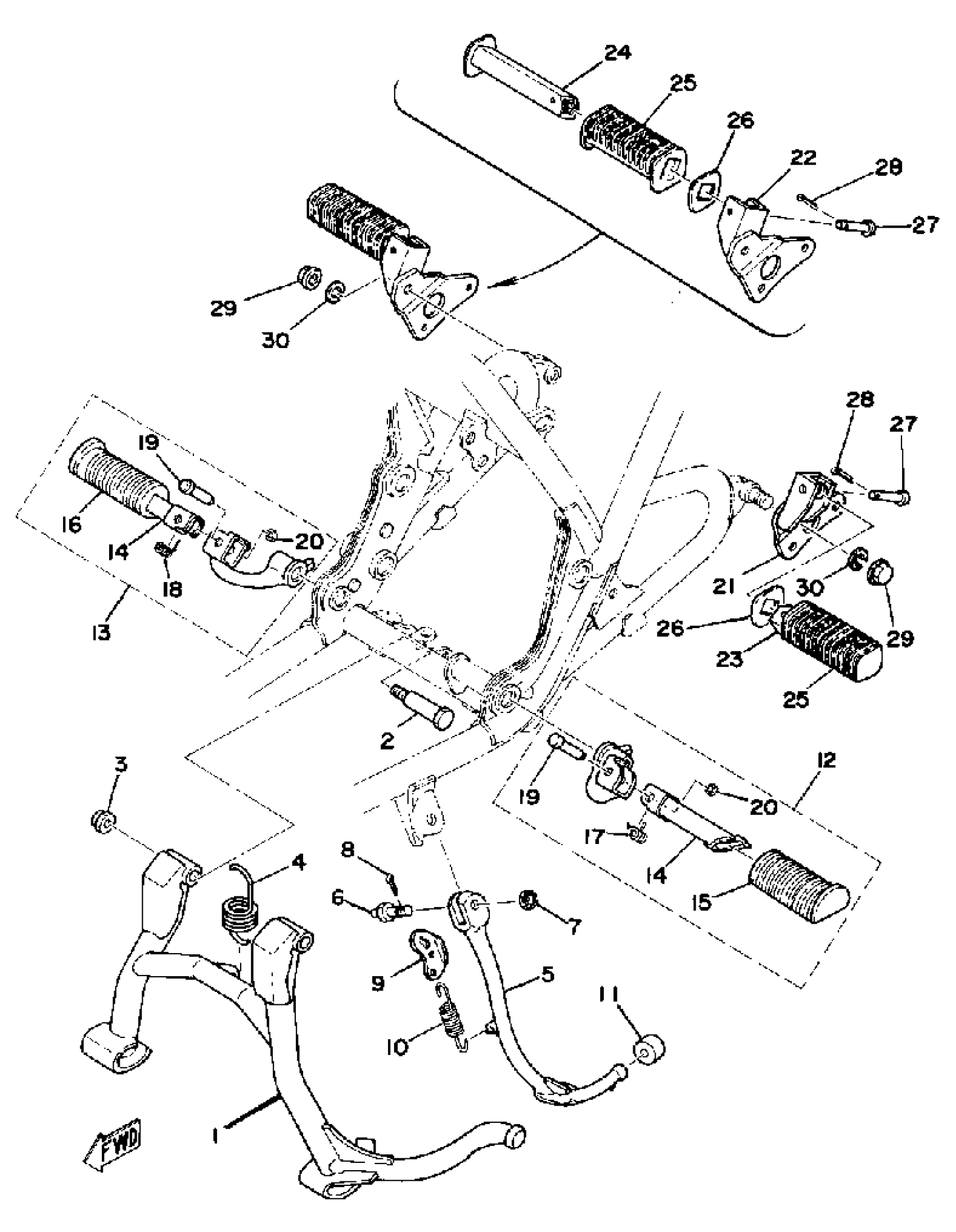
STAND FOOTREST
Yamaha XS500E (XS500) 1978 STAND FOOTREST Diagram
#
1
STAND, MAIN (371-27111-04)
2F1-27111-00-00
Unavailable
2
BOLT
90109-10440-00
Unavailable
4
SPRING, TENSION
90506-45063-00
Unavailable
5
STAND, SIDE
(1J7-27311-00-00)
Unavailable
6
BOLT
90109-10399-00
Unavailable
7
NUT,CASTLE
90171-10049-00
Unavailable
9
LINK, SIDE STAND
371-27315-00-00
Unavailable
11
STOPPER
278-27314-00-00
Unavailable
12
FRT FOOTREST ASSEMBLY L
(371-27410-00-00)
Unavailable
13
FRT FOOTREST ASSEMBLY R
(371-27420-00-00)
Unavailable
14
FOOTREST 2
(371-27421-00-00)
Unavailable
15
. COVER, FOOTREST
341-27423-00-00
Unavailable
16
. COVER, FOOTREST
341-27413-00-00
Unavailable
17
. SPRING, TORSION
90508-20154-00
Unavailable
18
SPRING TORSION 371274560000
90508-20155-00
Unavailable
19
PIN (214-27418-00)
90243-08006-00
Unavailable
20
WASHER, PLATE (214-27417-00)
90201-06042-00
Unavailable
21
BRACKET 1
(371-27432-01-00)
Unavailable
22
BRACKET 2
(371-27442-01-00)
Unavailable
23
FOOTREST, REAR 1
447-27431-00-00
Unavailable
24
FOOTREST, REAR 2
447-27441-00-00
Unavailable
25
COVER, REAR FOOTREST
447-27433-00-00
Unavailable
26
WASHER 447274370000
90209-18070-00
Unavailable
27
PIN, CLEVIS (2F9)
91701-06035-00
Unavailable
28
PIN, COTTER
91490-16020-00
Unavailable
29
NUT, FLANGE(3BM)
95704-10500-00
Unavailable
30
YBS67-10 WASHER, SPRING
92990-10100-00
Unavailable
