- Partiron
- OEM Parts
- Yamaha
- motorcycle
- 1976
- XS500C (XS500) 1976
CONTACT BREAKER- GOVERNOR
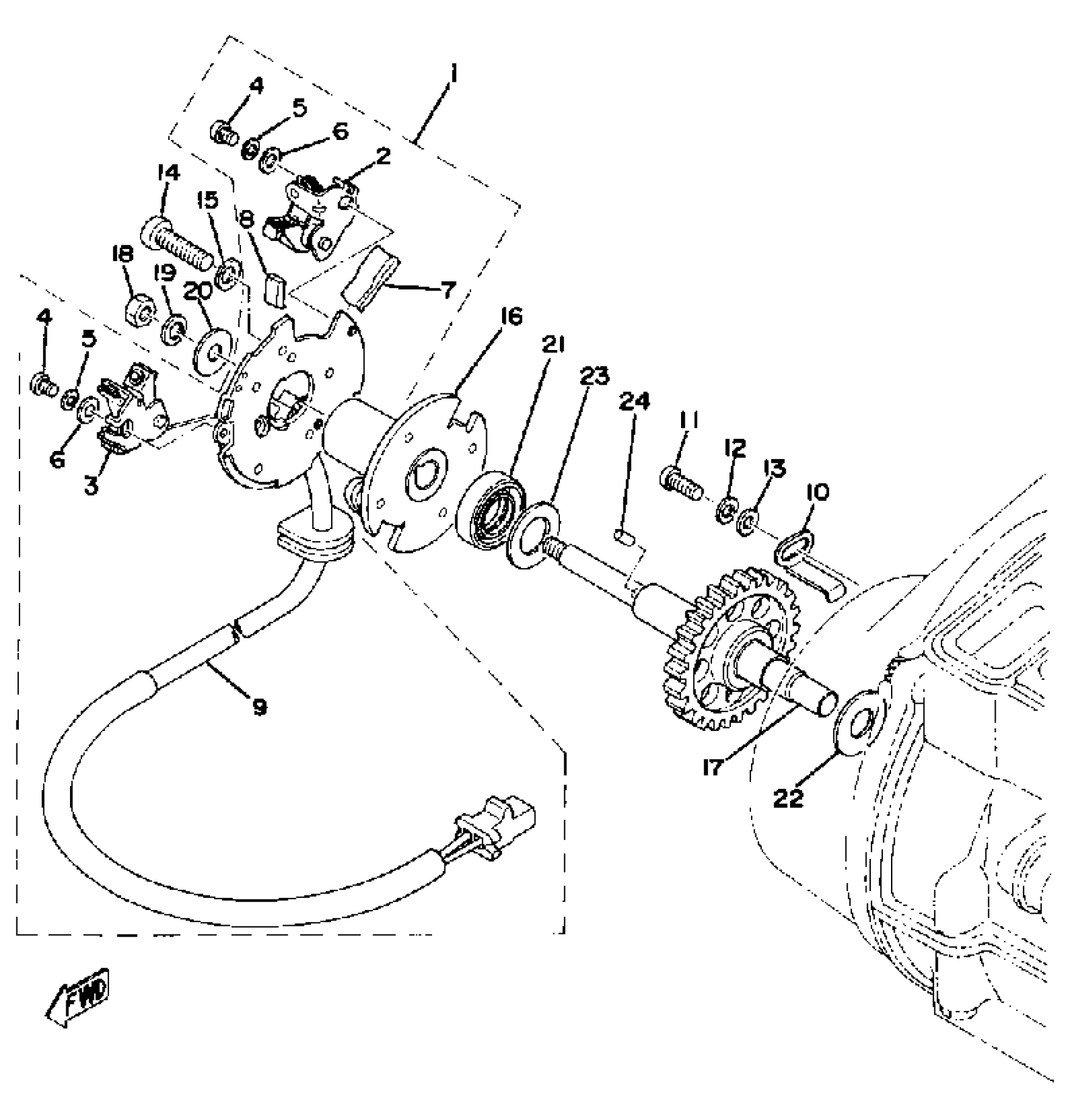
Yamaha XS500C (XS500) 1976 CONTACT BREAKER- GOVERNOR Diagram
#
Description
Price
1
BREAKER PLATE ASSEMBLY
(371-81620-10-00)
Unavailable
2
. CONTACT BRKR ASSEMBLY
371-81621-10-00
Unavailable
3
. CONTACT BRKR ASSEMBLY
371-81622-10-00
Unavailable
4
SCREW, PAN HEAD(3XP)
98517-04006-00
Unavailable
7
LUBRICATOR
(371-81631-10-00)
Unavailable
8
. LUBRICATOR
207-81331-10-00
Unavailable
9
WIRE, LEAD
(371-81615-10-00)
Unavailable
10
PLATE, TIMING
(371-81632-00-00)
Unavailable
11
UNAVAILABLE IN PRICE BOOK (98301-05012)
98303-05012-00
Unavailable
13
. WASHER, PLAIN
92990-05200-00
Unavailable
16
GOVERNOR ASSEMBLY (1A8-81653-10)
2F1-81653-10-00
Unavailable
17
BREAKER SHAFT ASSEMBLY
(371-11150-02-00)
Unavailable
18
NUT, HEXAGON
95380-06600-00
Unavailable
19
WASHER, SPRING
92995-06100-00
Unavailable
20
WASHER, PLATE (371)
90201-06412-00
Unavailable
21
OIL SEAL, SD-TYPE
93102-14107-00
Unavailable
22
WASHER, PLATE (371-11557-00)
90201-10373-00
Unavailable
23
WASHER, PLATE
(90201-14216-00)
Unavailable
24
PIN, DOWEL
93603-07073-00
Unavailable
