- Partiron
- OEM Parts
- Yamaha
- motorcycle
- 1976
- XS500C (XS500) 1976
CARBURETOR
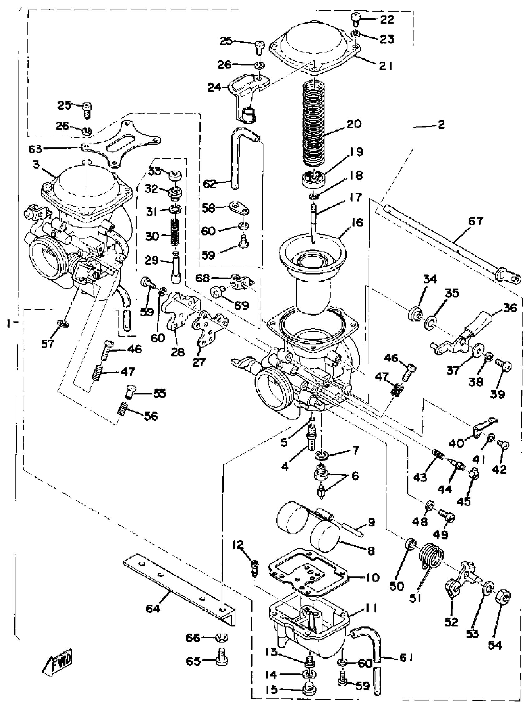
Yamaha XS500C (XS500) 1976 CARBURETOR Diagram
#
1
TOOL
UNA-VAILA-BL-EI
Unavailable
2
CARBURETOR ASSEMBLY 1
(1A8-14901-60-00)
Unavailable
3
CARBURETOR ASSEMBLY 2
(1A8-14902-60-00)
Unavailable
4
NOZZLE, MAIN
(341-14941-96-00)
Unavailable
11
BODY, FLOAT CHAMBER
(584-14981-09-00)
Unavailable
12
.. JET, PILOT #30
584-14142-30-00
Unavailable
13
JET,MAIN #122.5
3G2-1423A-75-A1
Unavailable
14
WASHER
256-14956-01-00
Unavailable
15
.. SCREW, PLUG
256-14991-00-00
Unavailable
16
.. DIAPHRAGM ASSY (256-14940-01-00)
256-14940-00-00
Unavailable
17
NEEDLE
(1A8-14116-24-00)
Unavailable
18
CLIP
256-14919-00-00
Unavailable
19
.. PLATE, NEEDLE FITTING
256-14946-00-00
Unavailable
20
SPRING, DIAPHRAGM
(584-14933-00-00)
Unavailable
21
COVER, DIAPHRAGM
(256-14958-00-00)
Unavailable
22
SCREW, PAN HEAD(6B0)
97885-05016-00
Unavailable
23
YBS67-5 WASHER, SPRING
92990-05100-00
Unavailable
24
BRACKET, THROTTLE 1
(1A8-14926-00-00)
Unavailable
25
SCREW, PAN HEAD(6B0)
97885-05016-00
Unavailable
26
YBS67-5 WASHER, SPRING
92990-05100-00
Unavailable
27
.. GASKET, STARTER BODY
447-14979-00-00
Unavailable
28
BODY, STARTER 1
(1A8-14971-00-00)
Unavailable
28
BODY, STARTER 2
(1A8-14972-00-00)
Unavailable
29
.. PLUNGER, STARTER
584-14171-00-00
Unavailable
30
. SPRING, PLUNGER
256-14135-00-00
Unavailable
31
WASHER
256-14954-00-00
Unavailable
32
.. CAP, PLUNGER
584-14176-00-00
Unavailable
33
.. COVER, PLUNGER CAP
306-14173-00-00
Unavailable
34
.. RING
256-14918-00-00
Unavailable
35
.. WASHER, STARTER LEVER
584-14955-00-00
Unavailable
36
.. LEVER ASSY
306-14905-02-00
Unavailable
37
WASHER
4CW-14962-00-00
Unavailable
38
YBS67-4 WASHER, SPRING
92990-04100-00
Unavailable
39
SCREW, PAN HEAD
98511-04012-00
Unavailable
40
.. SPRING
584-14938-00-00
Unavailable
41
YBS67-4 WASHER, SPRING
92990-04100-00
Unavailable
42
SCREW, PAN HEAD(3XP)
98517-04006-00
Unavailable
43
SPRING, AIR ADJUSTING
127-14134-00-00
Unavailable
44
.. SCREW, PILOT
584-14923-00-00
Unavailable
45
.. CAP, PILOT SCREW
584-14969-00-00
Unavailable
46
.. SCREW, THROTTLE STOP
256-14922-01-00
Unavailable
47
.. SPRING, THROTTLE STOP
256-14934-01-00
Unavailable
48
.. WASHER, PLUG SCREW
584-14956-00-00
Unavailable
49
.. PLUG, SCREW
341-14991-00-00
Unavailable
50
.. SEAL
256-14997-00-00
Unavailable
51
.. SPRING, THROTTLE LEFT
584-14931-00-00
Unavailable
52
LEVER, THROTTLE 2
(1A8-14964-00-00)
Unavailable
53
YBS67-8 WASHER, SPRING
92990-08100-00
Unavailable
54
NUT(3DM)
95304-12600-00
Unavailable
55
. ROD, PUSH
584-14992-00-00
Unavailable
56
SPRING, THROTTLE STOP
(584-14934-00-00)
Unavailable
57
CLIP
(584-14937-00-00)
Unavailable
58
PLATE
500-14146-00-00
Unavailable
59
SCREW, PAN HEAD
98511-04012-00
Unavailable
60
YBS67-4 WASHER, SPRING
92990-04100-00
Unavailable
61
PIPE, AIRVENT
(256-14197-01-00)
Unavailable
62
HOSE
(256-14987-00-00)
Unavailable
63
PLATE
(1A8-14243-00-00)
Unavailable
64
JET
(1A8-14945-00-00)
Unavailable
65
SCREW, PAN
98507-06014-00
Unavailable
66
WASHER, SPRING
92995-06100-00
Unavailable
67
SHAFT, STARTER LVR
(1A8-14977-00-00)
Unavailable
68
LEVER, STARTER
(1J7-14986-00-00)
Unavailable
69
. SCREW, STARTER LEVER 2
584-14991-00-00
Unavailable
