- Partiron
- OEM Parts
- Yamaha
- motorcycle
- 1982
- XS400SJ (XS400S) 1982
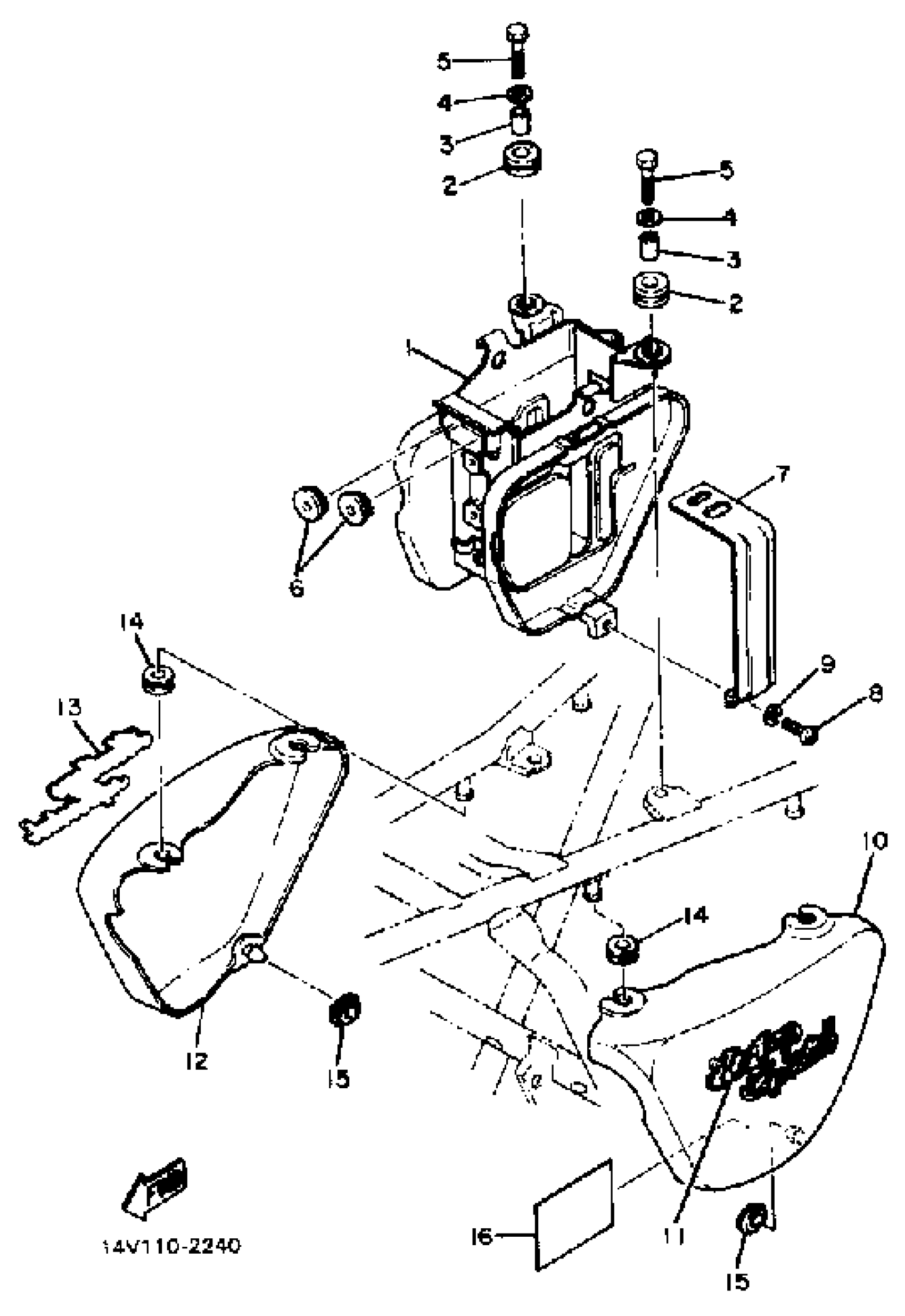
SIDE COVER
Yamaha XS400SJ (XS400S) 1982 SIDE COVER Diagram
#
Description
Price
1
BOX
(3F9-21240-00-00)
Unavailable
6
DAMPER
1J7-21746-00-00
Unavailable
7
BAND, TANK FITTING
1L9-21776-01-00
Unavailable
8
SCREW, PAN HEAD(6E0)
97885-06030-00
Unavailable
9
WASHER, SPRING
92995-06100-00
Unavailable
10
COVER, SIDE 1
4R4-21711-00-6G
Unavailable
11
EMBLEM 1
14V-21781-00-00
Unavailable
12
COVER, SIDE 2
4R4-21721-00-6G
Unavailable
13
EMBLEM 2
14V-21782-00-00
Unavailable
16
PLATE, SPEC
(14V-21683-00-00)
Unavailable
