Partiron

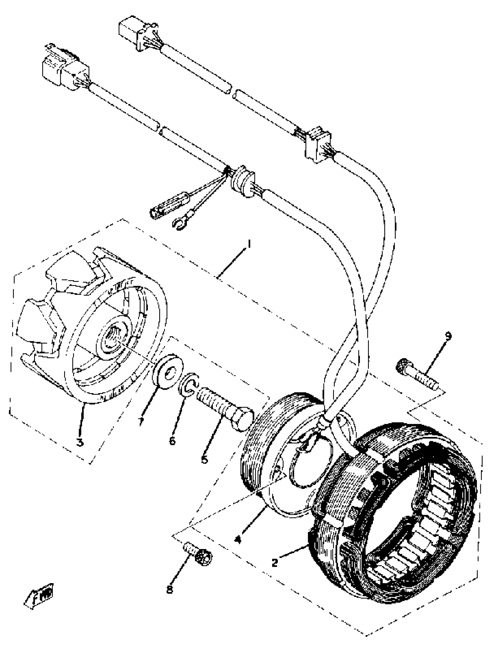
Yamaha XS400SG (XS400S) 1980 AC GENERATOR Diagram

#

Description
Price

1

AC GENERATOR ASY

4R4-81600-50-00

Unavailable

2

. STATOR ASY

3F9-81610-50-00

Unavailable

3

. ROTOR ASY

3F9-81650-50-00

Unavailable

4

FIELD COIL ASSEMBLY

(4R4-81660-50-00)

Unavailable

5

BOLT

90101-10105-00

Unavailable

6

YBS67-10 WASHER, SPRING

92990-10100-00

$7.49

7

WASHER, PLATE(52H)

90201-102J5-00

Unavailable

8

BOLT,SOCKET

91317-06014-00

$9.49

9

BOLT, HEXAGON SOCKET HEAD(1VJ)

90110-06138-00

$5.60