Partiron

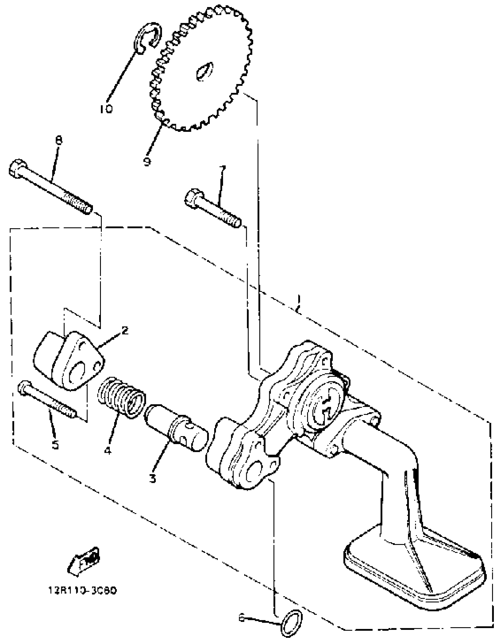
Yamaha XS400RJ (XS400R) 1982 OIL PUMP Diagram

#

Description
Price

1

OIL PUMP ASSEMBLY

12R-13300-00-00

Unavailable

2

RETAINER, RLIEF VLV

(12R-13486-00-00)

Unavailable

3

. PLUNGER, RELIEF

2H7-13483-00-00

Unavailable

4

. SPRING, COMPRESSION

90501-18499-00

Unavailable

5

SCREW PAN HEAD

98580-06040-00

$8.49

6

O-RING (2H7)

93210-13361-00

$5.60

7

BOLT, HEXAGON SOCKET HEAD(1VJ)

90110-06138-00

$5.60

8

BOLT,SOCKET

91317-06050-00

$3.88

9

GEAR, PUMP DRIVEN

12R-13325-00-00

Unavailable

10

CIRCLIP(24H)

99009-11400-00

$8.49