- Partiron
- OEM Parts
- Yamaha
- motorcycle
- 1982
- XS400RJ (XS400R) 1982
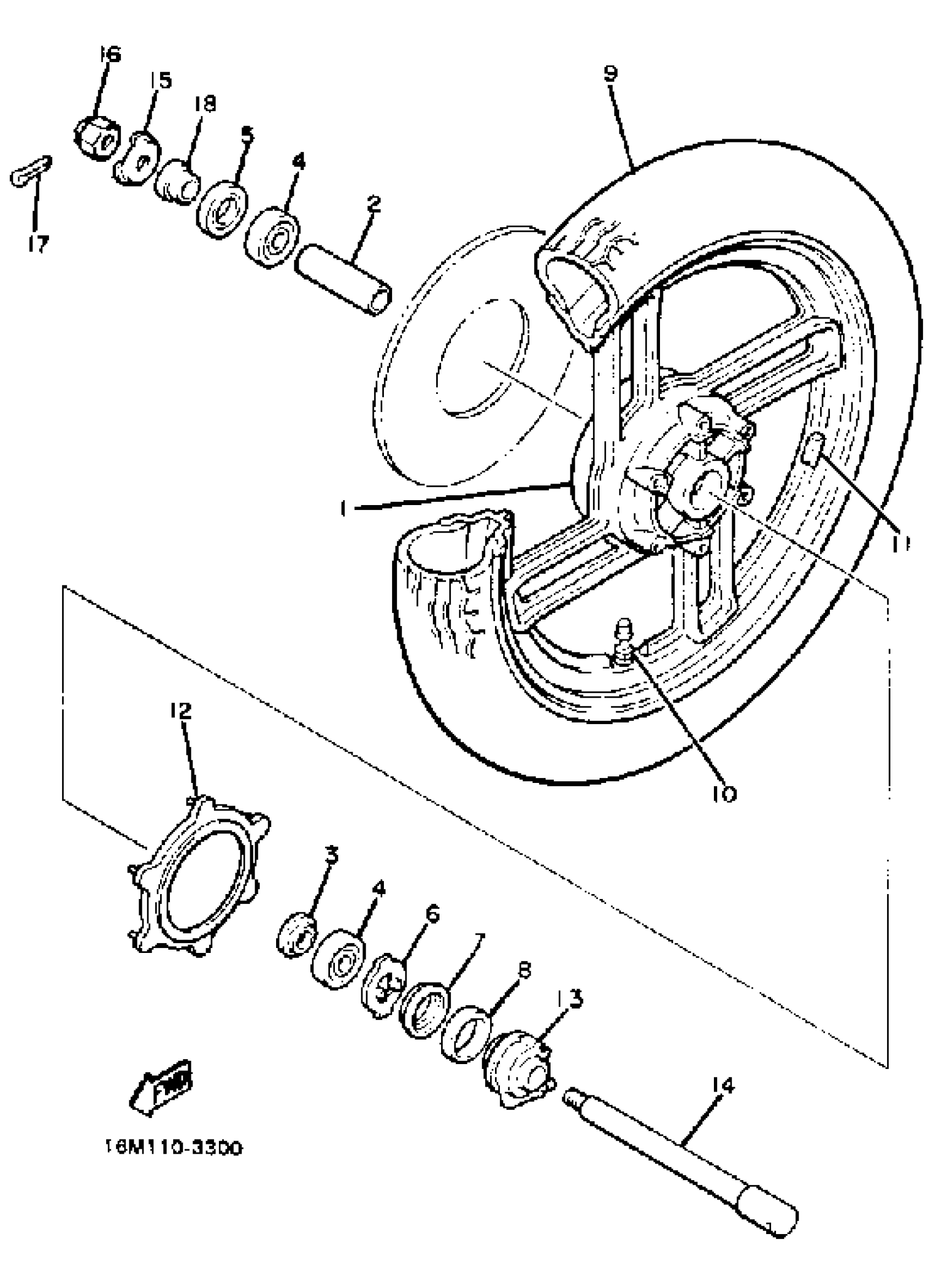
FRONT WHEEL
Yamaha XS400RJ (XS400R) 1982 FRONT WHEEL Diagram
#
Description
Price
1
WHEEL, CAST FRONT (11H-25168-20-98)
11H-25168-29-98
Unavailable
2
SPACER
90560-15116-00
Unavailable
9
300S18 L303 TL (3.00-18)
94130-18488-00
Unavailable
12
COVER, HOUSING
(11H-25847-00-00)
Unavailable
13
GEAR UNIT ASSY
3M5-25190-10-00
Unavailable
14
AXLE, WHEEL
4H7-25181-01-00
Unavailable
15
WASHER, PLAIN
92990-14200-00
Unavailable
16
NUT, CASTLE(2UJ)
90171-14056-00
Unavailable
17
PIN, COTTER
91490-30030-00
Unavailable
18
COLLAR (1L9)
90387-15550-00
Unavailable
