- Partiron
- OEM Parts
- Yamaha
- motorcycle
- 1982
- XS400J (XS400) 1982
HANDLEBAR CABLE
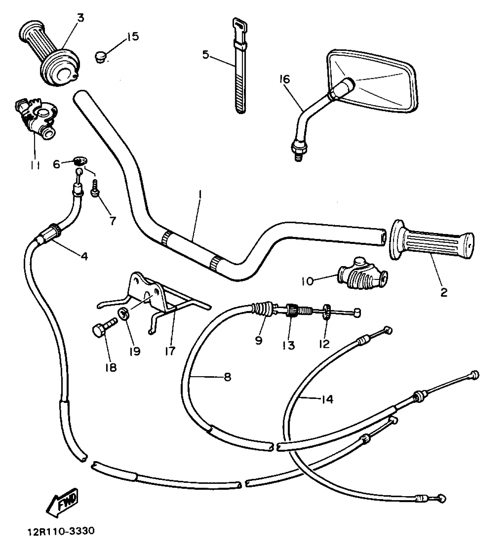
Yamaha XS400J (XS400) 1982 HANDLEBAR CABLE Diagram
#
Description
Price
4
CABLE, THROTTLE 1
12R-26311-00-00
Unavailable
5
BAND
(12R-26397-00-00)
Unavailable
8
CABLE, CLUTCH
12R-26335-00-00
Unavailable
10
COVER, HANDLE LEVER
11H-26372-00-00
Unavailable
14
CABLE, STARTER 1
12R-26331-00-00
Unavailable
16
REAR VIEW MIRROR ASSY (RIGHT)
4H7-26290-50-00
Unavailable
16
REAR VIEW MIRROR ASSY(LEFT)
4H7-26290-20-00
Unavailable
17
GUIDE, CABLE
(12R-26399-01-00)
Unavailable
18
BOLT, HEXAGON
97017-06012-00
Unavailable
19
WASHER, SPRING
92907-06100-00
Unavailable
