- Partiron
- OEM Parts
- Yamaha
- motorcycle
- 1980
- XS400G (XS400) 1980
TAILLIGHT
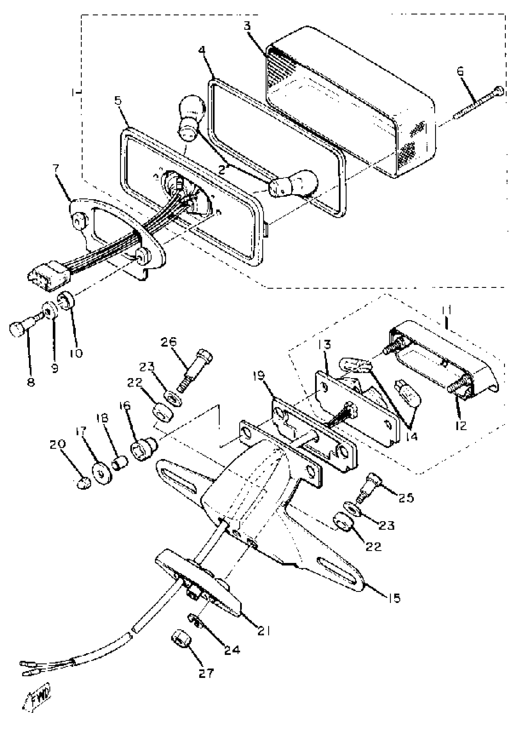
Yamaha XS400G (XS400) 1980 TAILLIGHT Diagram
#
Description
Price
1
. TAILLIGHT UNIT ASSY
3G1-84710-60-00
Unavailable
3
. LENS, TAILLIGHT
1A0-84721-60-00
Unavailable
4
. GASKET, TAIL LENS
1A0-84723-60-00
Unavailable
5
. TAILLIGHT UNIT ASSY
3G1-84710-60-00
Unavailable
6
SCREW, PANHEAD (4G7)
98580-04055-00
Unavailable
7
SEAT, BASE
3G1-84712-00-00
Unavailable
8
BOLT
90109-06548-00
Unavailable
10
SEAT, BASE
3G1-84712-60-00
Unavailable
11
LICENSE LITE ASSY
1UF-84745-A0-00
Unavailable
12
. BODY, LICENCE LIGHT
3F9-84749-00-00
Unavailable
13
. BASE, LICENSE LIGHT
3F9-84741-00-00
Unavailable
14
. BULB, METER 12V 38W
3F9-84744-00-XX
Unavailable
15
BRACKET, LICENSE
3G1-84751-00-93
Unavailable
16
DAMPER
3F9-84553-00-00
Unavailable
17
WASHER, SPECIAL
3F9-84754-00-00
Unavailable
18
COLLAR(53Y)
90387-066H9-00
Unavailable
19
SEAT, BASE
3F9-84742-00-00
Unavailable
20
NUT (CROWN)
95303-05800-00
Unavailable
21
DAMPER
3F9-84753-00-00
Unavailable
22
DAMPER
3G1-84753-60-00
Unavailable
23
WASHER, PLAIN
92990-08200-00
Unavailable
24
WASHER, SPRING
92995-06100-00
Unavailable
25
BOLT
90109-06562-00
Unavailable
26
BOLT (4L0)
90109-06577-00
Unavailable
27
NUT, HEXAGON
95380-06600-00
Unavailable
