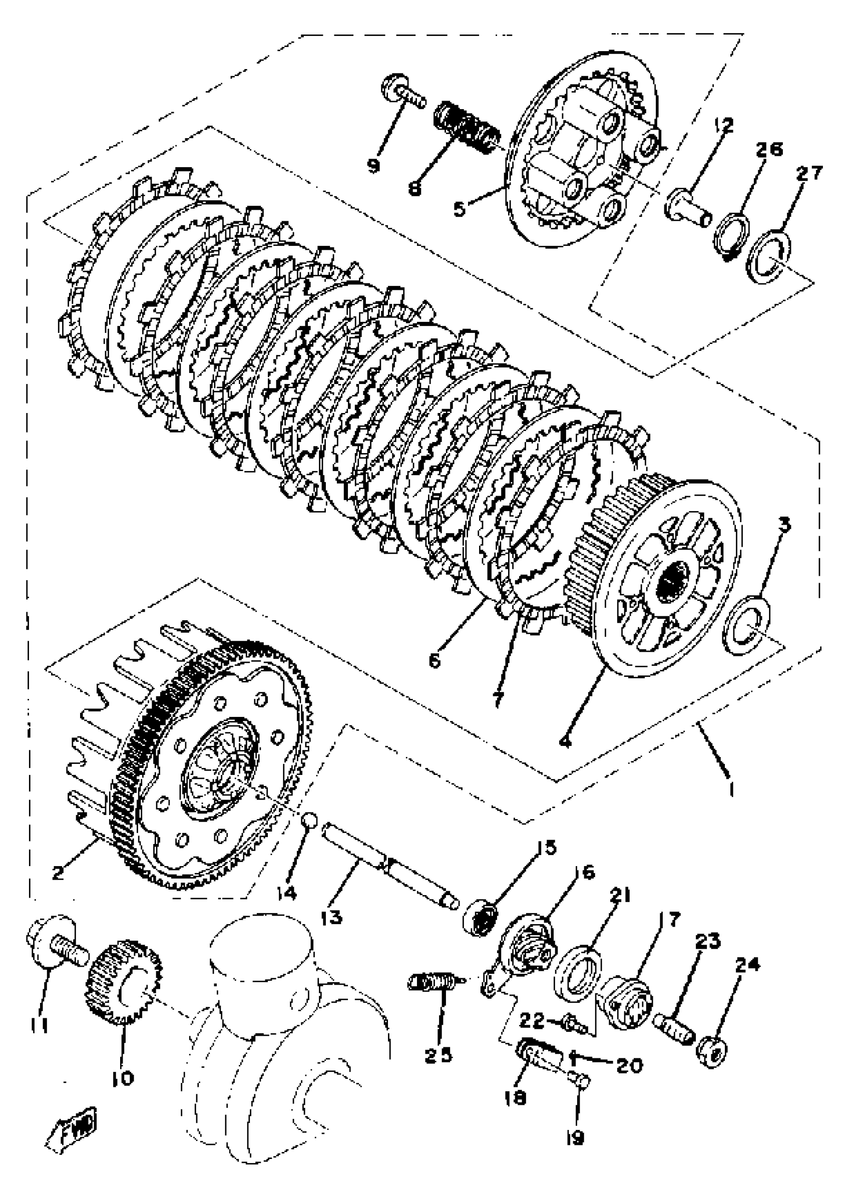
Yamaha XS400G (XS400) 1980 CLUTCH Diagram
#
Description
Price
1
CLUTCH ASSEMBLY
(1L9-16301-00-00)
Unavailable
2
PRI DRVN GEAR
(1L9-16150-01-00)
Unavailable
4
. BOSS, CLUTCH
1L9-16371-00-00
Unavailable
5
. PLATE, PRESSURE 1
1L9-16351-00-00
Unavailable
10
GEAR, PRI DRIVE
(1L9-16111-00-00)
Unavailable
11
BOLT, WASHER BASED
90105-10085-00
Unavailable
12
ROD, PUSH 1
(1L9-16356-00-00)
Unavailable
13
ROD, PUSH 2
371-16357-02-00
Unavailable
15
OIL SEAL, SD-TYPE
93102-09245-00
Unavailable
16
PUSH LEVER ASY
1L9-16340-00-00
Unavailable
17
HOUSING, PUSH SCREW
371-16396-00-00
Unavailable
18
JOINT
214-16389-00-00
Unavailable
19
PIN W/HOLE 214163790000
90240-06005-00
Unavailable
20
. PIN, COTTER
91401-10015-00
Unavailable
21
SEAL, DUST
214-16347-01-00
Unavailable
22
SCREW,PAN HEAD (646)
98580-05012-00
Unavailable
23
BOLT SET 256163430100
90113-08021-00
Unavailable
24
NUT
90179-08179-00
Unavailable
25
SPRING, TENSION
90506-10023-00
Unavailable
26
CIRCLIP, S-TYPE
93410-24042-00
Unavailable
27
SHIM, DRIVE AXLE (0.5)
168-17428-01-05
Unavailable
27
SHIM, DRIVE AXLE (0.5)
168-17428-01-05
Unavailable
