- Partiron
- OEM Parts
- Yamaha
- motorcycle
- 1979
- XS400F (XS400) 1979
SIDE COVER - BATTERY BOX
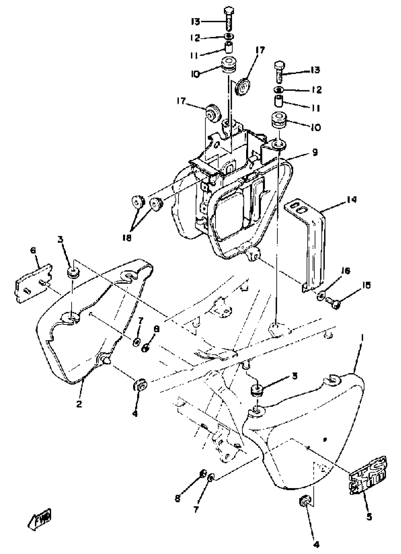
Yamaha XS400F (XS400) 1979 SIDE COVER - BATTERY BOX Diagram
#
Description
Price
1
COVER, SIDE 1
(2L0-21711-00-6E)
Unavailable
1
COVER, SIDE 1
2L0-21711-00-8E
Unavailable
2
COVER, SIDE 2
(2L0-21721-00-6E)
Unavailable
2
COVER, SIDE 2
2L0-21721-00-8E
Unavailable
5
EMBLEM 1
2L0-21781-00-00
Unavailable
6
EMBLEM 2
2L0-21782-00-00
Unavailable
9
BOX, BATT.
(2L0-21240-00-00)
Unavailable
14
BAND, TANK FITTING
1L9-21776-01-00
Unavailable
15
SCREW, PAN HEAD(6E0)
97885-06030-00
Unavailable
16
WASHER, PLAIN (646)
92990-06600-00
Unavailable
17
PAD, BATTERY
371-82121-00-00
Unavailable
18
DAMPER
1J7-21746-00-00
Unavailable
