- Partiron
- OEM Parts
- Yamaha
- motorcycle
- 1979
- XS400F (XS400) 1979
CARBURETOR
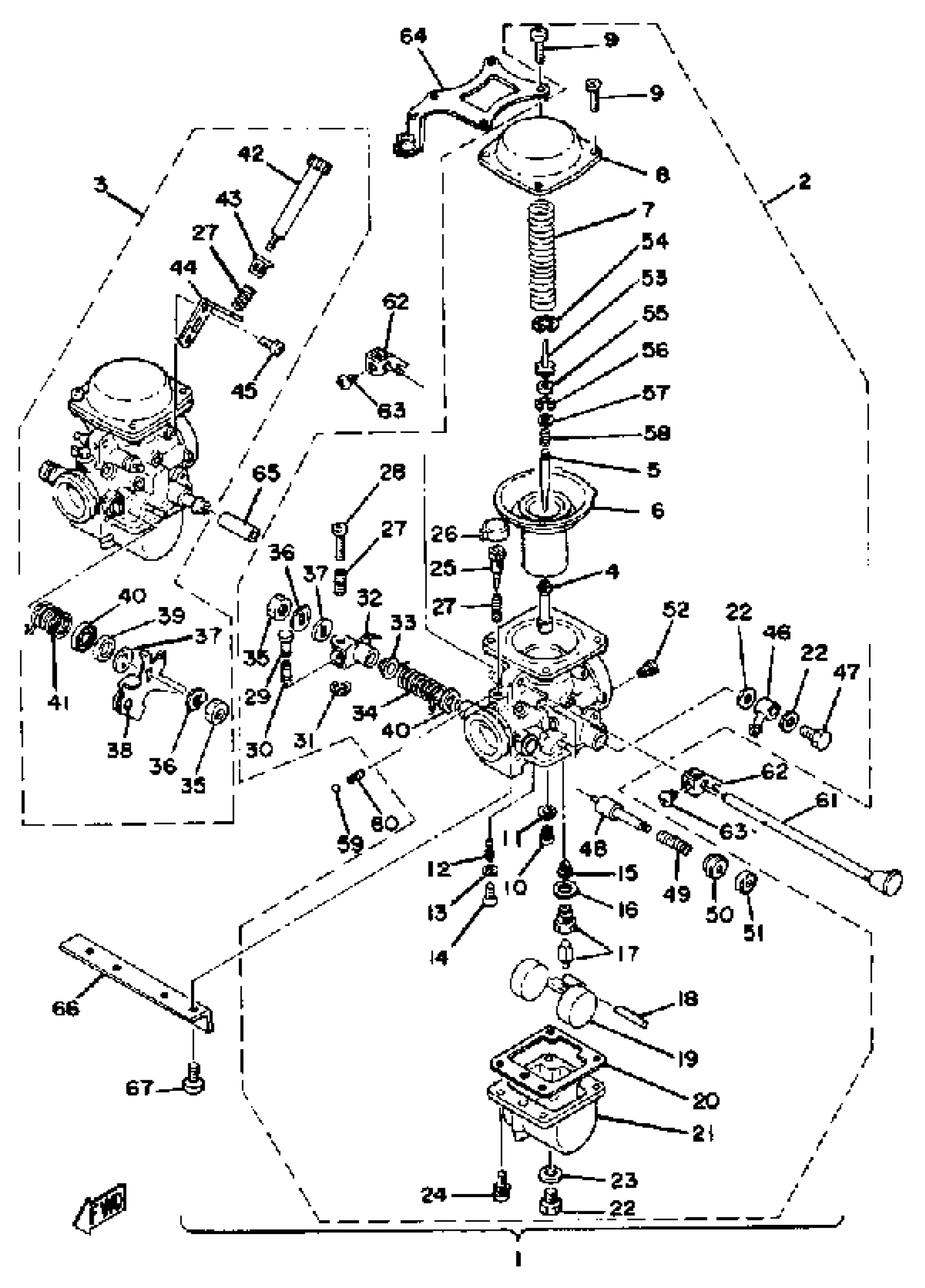
Yamaha XS400F (XS400) 1979 CARBURETOR Diagram
#
1
UNAVAILABLE IN PRICE BOOK
(2L0-14900-60-00)
Unavailable
2
CARBURETOR ASSEMBLY 1
(2L0-14901-60-00)
Unavailable
3
. CARBURETOR ASSEMBLY 2
2L0-14902-60-00
Unavailable
4
.. NOZZLE, MAIN
2A2-14941-06-00
Unavailable
5
.. NEEDLE
2A2-14116-01-00
Unavailable
6
.. DIAPHRAGM ASSEMBLY
2F3-14940-00-00
Unavailable
7
.. SPRING, DIAPHRAGM
2A2-14933-00-00
Unavailable
8
COVER, DIAPHRAGM
(2A2-14958-00-00)
Unavailable
9
SCREW, PAN HEAD(3YL)
98580-05014-00
Unavailable
10
.. JET, MAIN #1325
620-14231-99-A0
Unavailable
12
.. JET, PILOT #425
256-14142-42-A0
Unavailable
13
.. WASHER, PLUG SCREW
584-14956-00-00
Unavailable
14
.. SCREW
2F1-14991-00-00
Unavailable
16
WASHER,VALVE SEAT
239-14195-00-00
Unavailable
17
VALVE SEAT ASSY
1J7-14190-20-00
Unavailable
18
PIN, FLOAT
537-14186-00-00
Unavailable
19
FLOAT
2A2-14985-01-00
Unavailable
20
GASKET, FLOAT CHAMBER
2A2-14984-01-00
Unavailable
21
BODY, FLOAT CHAMBER
(2A2-14981-06-00)
Unavailable
22
. SCREW
1A8-14991-00-00
Unavailable
23
WASHER
256-14956-01-00
Unavailable
24
SCREW, PN/HD.W/WSHR
(97601-05114-00)
Unavailable
25
SCREW, PILOT
2A2-14923-00-00
Unavailable
26
CAP
8A7-14969-00-00
Unavailable
27
.. SPRING, THROTTLE STOP
256-14934-01-00
Unavailable
28
.. SCREW, THROTTLE STOP
256-14922-01-00
Unavailable
29
. ROD, PUSH
584-14992-00-00
Unavailable
30
SPRING, THROTTLE STOP
(584-14934-00-00)
Unavailable
31
. CLIP
256-14937-00-00
Unavailable
32
LEVER, THROTTLE 2
(2A2-14964-00-00)
Unavailable
33
.. RING
1L9-14918-00-00
Unavailable
34
SPRING, THRTL LEVER
(2A2-14931-00-00)
Unavailable
35
NUT, HEXAGON 98801-12200
90170-12175-00
Unavailable
36
.. WASHER
256-14953-00-00
Unavailable
37
VALVE, THROTTLE
(306-14970-00-00)
Unavailable
38
LEVER, THROTTLE 4
(2A2-14963-00-00)
Unavailable
39
RING
(2A2-14918-00-00)
Unavailable
40
SEAL
2A2-14997-00-00
Unavailable
41
SPRING, THRTL 2
(2A2-14932-00-00)
Unavailable
42
.. SCREW, THROTTLE
2A2-14922-00-00
Unavailable
43
.. BUSH
1J7-14998-00-00
Unavailable
44
BRACKET
(2A2-14995-00-00)
Unavailable
45
SCREW, PAN HEAD (713)
98580-04008-00
Unavailable
46
PIPE, STARTER CON
(1L9-14988-00-00)
Unavailable
47
.. BOLT, BANJO
1L9-14166-00-00
Unavailable
48
.. PLUNGER, STARTER
2A2-14171-00-00
Unavailable
49
. SPRING, PLUNGER
256-14135-00-00
Unavailable
50
.. CAP, PLUNGER
2A2-14174-00-00
Unavailable
51
.. COVER, PLUNGER CAP
2A2-14173-00-00
Unavailable
52
.. PILOT JET, AIR #170
2A2-14172-34-00
Unavailable
53
PLATE, NEEDLE FTNG
(2F3-14946-00-00)
Unavailable
54
.. CLIP
2F0-14919-00-00
Unavailable
55
.. RING
2F0-14918-00-00
Unavailable
56
CLIP
256-14919-00-00
Unavailable
57
.. WASHER
2F3-14952-00-00
Unavailable
58
.. SPRING
2F0-14589-00-00
Unavailable
59
BALL
93501-08001-00
Unavailable
60
SPRING
583-14589-00-00
Unavailable
61
. SHAFT, STARTER LVR
2A2-14977-00-00
Unavailable
62
LEVER, STARTER
(2A2-14905-00-00)
Unavailable
63
. SCREW
2F3-14991-00-00
Unavailable
64
BRACKET, THROTTLE 1
(2A2-14926-00-00)
Unavailable
65
HOSE
(1L9-14987-00-00)
Unavailable
66
PLATE
(1L9-14146-00-00)
Unavailable
67
SCREW, PAN
98507-06014-00
Unavailable
