- Partiron
- OEM Parts
- Yamaha
- motorcycle
- 1978
- XS400E (XS400) 1978
SHIFTER 2
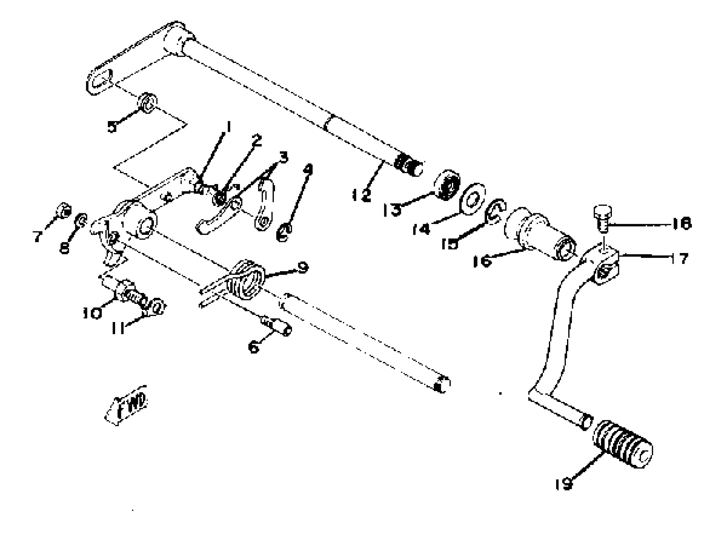
Yamaha XS400E (XS400) 1978 SHIFTER 2 Diagram
#
Description
Price
1
BRACKET
328-18128-00-00
Unavailable
2
SPRING, TORSION
90508-08007-00
Unavailable
3
LEVER, SHIFT 3
(328-18151-00-00)
Unavailable
4
CIRCLIP
99080-07600-00
Unavailable
5
ROLLER, SHIFT LEVER
214-18178-00-00
Unavailable
7
NUT, HEXAGON
95380-06600-00
Unavailable
8
WASHER, SPRING
92995-06100-00
Unavailable
9
SPRING, TORSION
90508-32055-00
Unavailable
11
WASHER
90215-08015-00
Unavailable
12
SHIFT SHAFT ASY.1
278-18101-01-00
Unavailable
16
BOOT, SEALING
278-18131-00-00
Unavailable
17
PEDAL, SHIFT
2L1-18111-00-00
Unavailable
18
BOLT, HEXAGON
97017-06020-00
Unavailable
19
COVER, CHANGE PEDAL
132-18113-01-00
Unavailable
