- Partiron
- OEM Parts
- Yamaha
- motorcycle
- 1977
- XS400D (XS400) 1977
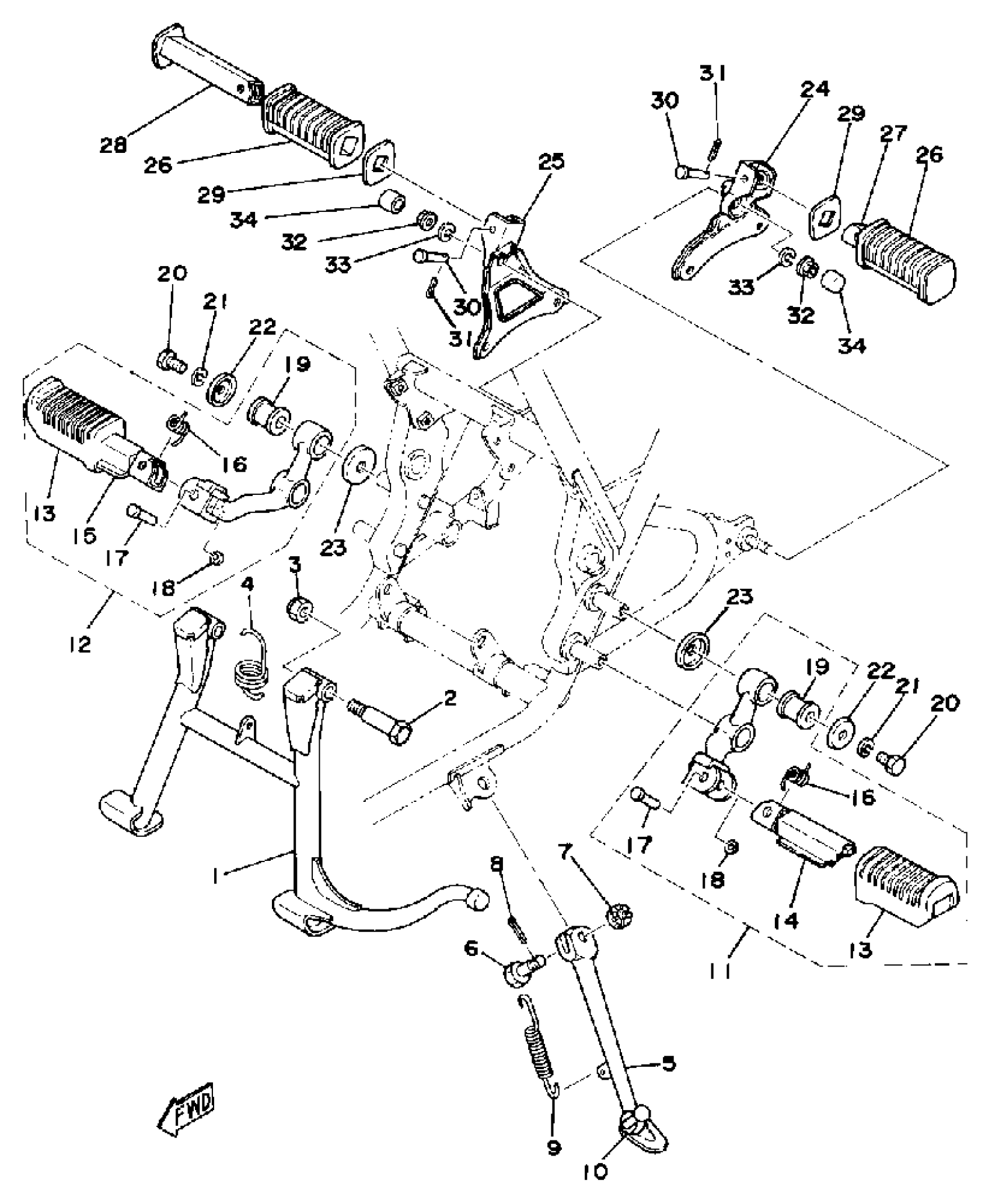
STAND-FOOTREST
Yamaha XS400D (XS400) 1977 STAND-FOOTREST Diagram
#
1
STAND, MAIN
1L9-27111-02-00
Unavailable
2
BOLT
90109-10440-00
Unavailable
4
SPRING, TENSION
90506-45063-00
Unavailable
5
STAND, MAIN
1L9-27311-02-33
Unavailable
7
NUT,CASTLE
90171-10049-00
Unavailable
10
STOPPER
278-27314-00-00
Unavailable
11
FRONT FOOTREST ASSEMBLY L
3F9-27410-00-33
Unavailable
12
FRT FOOTREST ASSEMBLY R
(4R4-27420-00-33)
Unavailable
14
FOOTREST
3CK-27451-00-00
Unavailable
15
FOOTREST
3N6-27461-00-00
Unavailable
16
SPRING, TORSION (214-27426-00)
90508-20023-00
Unavailable
17
PIN (214-27418-00)
90243-08006-00
Unavailable
18
WASHER, PLATE (214-27417-00)
90201-06042-00
Unavailable
19
GROMMET(4CG)
90480-20543-00
Unavailable
20
BOLT, HEXAGON
97013-08016-00
Unavailable
21
YBS67-8 WASHER, SPRING
92990-08100-00
Unavailable
22
WASHER, PLATE
90209-08150-00
Unavailable
23
WASHER, PLATE (1L9)
90209-12157-00
Unavailable
24
BRKT REAR FTREST L
(99999-01090-00)
Unavailable
25
BRACKET
99999-01091-00
Unavailable
26
COVER, REAR FOOTREST
447-27433-00-00
Unavailable
27
FOOTREST, REAR 1
447-27431-00-00
Unavailable
28
FOOTREST, REAR 2
447-27441-00-00
Unavailable
29
WASHER 447274370000
90209-18070-00
Unavailable
30
PIN, CLEVIS (2F9)
91701-06035-00
Unavailable
31
PIN, COTTER
91490-16020-00
Unavailable
32
NUT, FLANGE(3BM)
95704-10500-00
Unavailable
33
YBS67-10 WASHER, SPRING
92990-10100-00
Unavailable
34
CAP, TOOL BOX
262-21399-00-00
Unavailable
